PCCar.ru - Ваш автомобильный компьютер

Вернуться   PCCar.ru - Ваш автомобильный компьютер > MP3Car ТехИнфа > Общение с машиной

Ответ
 
Опции темы Поиск в этой теме
Старый 25.04.2010, 00:19   #1
taximan
Пользователь
 
Аватар для taximan
 
Регистрация: 06.11.2007
Город: МИНСК
Регион: Беларусь
Машина: FIAT BRAVO 1.6I 103
Сообщений: 99
taximan is on a distinguished road
По умолчанию счастливым облодателям vag - концерна

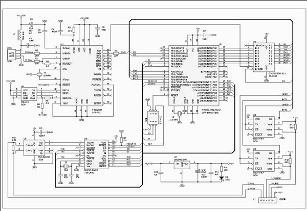
вот нарыл прогу и схему кабеля (с прошивкой)
дружища сворганил работает на ура (диагностирует почти все ТНВД ABS КАНДЕРЫ)
1 КАБЕЛЬ
2 ПРОГА (ЕСТЬ РУСКИЙ )
http://depositfiles.com/files/92opnkodq
http://depositfiles.com/files/wrylipd92
Миниатюры
Нажмите на изображение для увеличения
Название: 111111.jpg
Просмотров: 2132
Размер:	24.3 Кб
ID:	16606   Нажмите на изображение для увеличения
Название: 222222.jpg
Просмотров: 1468
Размер:	54.7 Кб
ID:	16607  
Изображения
 
__________________

интересное
taximan вне форума   Ответить с цитированием
Старый 27.04.2010, 10:41   #2
Autodiag
Старший Пользователь
 
Аватар для Autodiag
 
Регистрация: 22.03.2007
Возраст: 56
Город: Москва
Регион: 77, 97, 99, 177
Сообщений: 135
Autodiag is on a distinguished road
По умолчанию

Имхо легче купить готовый и с гарантией, чем собирать такую "заморочку"!
Autodiag вне форума   Ответить с цитированием
Старый 14.05.2010, 21:34   #3
taximan
Пользователь
 
Аватар для taximan
 
Регистрация: 06.11.2007
Город: МИНСК
Регион: Беларусь
Машина: FIAT BRAVO 1.6I 103
Сообщений: 99
taximan is on a distinguished road
По умолчанию

так и комп можно легко купить
да и на станции установить
и вопшще зачем такой форум держать?
зачем блоки люди разробатывают?
__________________

интересное
taximan вне форума   Ответить с цитированием
Старый 14.05.2010, 23:30   #4
roga
Новый Пользователь
 
Регистрация: 30.01.2010
Регион: 78, 98
Сообщений: 3
roga is on a distinguished road
По умолчанию

мастер-кит, набор 600р. легче, чем эта заморочка или надо быть фанатом паяльника.
roga вне форума   Ответить с цитированием
Старый 16.05.2010, 12:44   #5
Autodiag
Старший Пользователь
 
Аватар для Autodiag
 
Регистрация: 22.03.2007
Возраст: 56
Город: Москва
Регион: 77, 97, 99, 177
Сообщений: 135
Autodiag is on a distinguished road
По умолчанию

Цитата:
Сообщение от taximan Посмотреть сообщение
так и комп можно легко купить
да и на станции установить
и вопшще зачем такой форум держать?
зачем блоки люди разробатывают?
А материнскую плату тоже ручками паяем или всё-таки покупаем?
Autodiag вне форума   Ответить с цитированием
Старый 17.05.2010, 09:20   #6
Otard
Новый Пользователь
 
Регистрация: 11.11.2008
Город: Геленджик
Регион: 23, 93
Машина: ВАЗ
Сообщений: 6
Otard is on a distinguished road
По умолчанию

Цитата:
Сообщение от roga Посмотреть сообщение
мастер-кит, набор 600р. легче, чем эта заморочка или надо быть фанатом паяльника.
Так с адаптером Мастер-Кита авто с КАН-шиной не посмотришь.
Otard вне форума   Ответить с цитированием
Старый 13.06.2010, 14:33   #7
taximan
Пользователь
 
Аватар для taximan
 
Регистрация: 06.11.2007
Город: МИНСК
Регион: Беларусь
Машина: FIAT BRAVO 1.6I 103
Сообщений: 99
taximan is on a distinguished road
По умолчанию

народ эта штука стоит около 100-180уе (цена минска)
работает на ура
дружище занимается ремонтом, диагностирует авто этим кабелем
он также читае дизильные опеля (+насосы)
__________________

интересное
taximan вне форума   Ответить с цитированием
Старый 14.06.2010, 00:49   #8
Albert.comp
Старший Пользователь
 
Аватар для Albert.comp
 
Регистрация: 27.12.2006
Возраст: 54
Город: Нижний Новгород
Регион: 52
Машина: Wolksvagen Jetta, Toyota Matrix
Сообщений: 495
Albert.comp has a spectacular aura aboutAlbert.comp has a spectacular aura about
По умолчанию

Пока еще просто никто не вкурил! Думаю для обывателей это слишком круто! Многое для обычного человека там будет непонятно (говорю как диагност). На работе юзаю похожий девайс, вполне доволен! Вообще вещь хорошая- ставлю +1! Попробую собрать(лично для себя).
Кстати мой адаптер неплохо работает и по OBD, а это не только VAG группа, но и многие другие авто. Пусть там не вся инфа, но многое можно понять.
Пару вопросов - можно ли им посмотреть группы старше 100го и 200го адреса, есть ли подсказки по группам, и как она с OBD?
__________________
ATOM525 GA-D525TUD, 160Gx2.5, моник 800х600 тач, GPS18USB, Питание I1-ATX собственная разработка + разобранная клава + контроллер управления + 2 усилка
Проект Matrix
Albert.comp вне форума   Ответить с цитированием
Старый 01.07.2010, 02:34   #9
AngelOfGrief
Старший Пользователь
 
Регистрация: 17.01.2009
Возраст: 50
Город: Москва
Регион: 77, 97, 99, 177
Машина: Audi A5 3.2FSI Q, Porsche 996 Turbo
Сообщений: 669
AngelOfGrief is a jewel in the roughAngelOfGrief is a jewel in the roughAngelOfGrief is a jewel in the rough
По умолчанию

Для повторения конструкции еще нужна прошивка микроконтроллера, должен я заметить.

Что ж, схема это хорошо, даже возникло желание вспомнить молодость. Но потом пропало. А мне как раз нужен сей девайс, т.к. приобрел Audi, но я его собираюсь купить.
AngelOfGrief вне форума   Ответить с цитированием
Старый 21.07.2010, 17:51   #10
Юра 80
Пользователь
 
Регистрация: 08.05.2008
Возраст: 57
Город: Минск
Регион: Беларусь
Машина: А4-97
Сообщений: 51
Юра 80 is on a distinguished road
По умолчанию

Таксист, ВАГ-КАН с доставкой в Мн стоит около 40 уе. Т.е. заморачиваться с прошивками и походами по жданам можно только из любви к процессу
Юра 80 вне форума   Ответить с цитированием
Ответ

Метки
vag, vag-кабель


Здесь присутствуют: 1 (пользователей: 0 , гостей: 1)
 

Ваши права в разделе
Вы не можете создавать новые темы
Вы не можете отвечать в темах
Вы не можете прикреплять вложения
Вы не можете редактировать свои сообщения

BB коды Вкл.
Смайлы Вкл.
[IMG] код Вкл.
HTML код Выкл.



Часовой пояс GMT +4, время: 08:36.


Работает на vBulletin® версия 3.8.4.
Copyright ©2000 - 2026, Jelsoft Enterprises Ltd.
Перевод: zCarot