Показать сообщение отдельно
Старый 27.05.2009, 14:15   #57
alex__k
Пользователь
 
Регистрация: 16.01.2008
Регион: Украина
Машина: PASSAT B3
Сообщений: 66
alex__k is on a distinguished road
По умолчанию

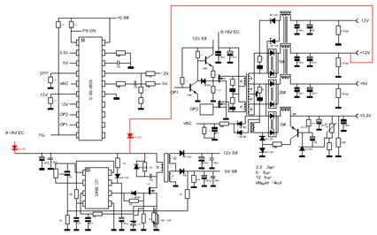
Или так.
Миниатюры
Нажмите на изображение для увеличения
Название: ПРЕОБРЗОВАТЕЛЬ  12V-ATX 1.0.jpg
Просмотров: 1625
Размер:	19.9 Кб
ID:	11274  
alex__k вне форума   Ответить с цитированием