Показать сообщение отдельно
Старый 24.02.2009, 12:50   #104
SileNTViP
Новый Пользователь
 
Аватар для SileNTViP
 
Регистрация: 24.02.2009
Возраст: 42
Город: Павловский Посад
Регион: 50, 90, 150
Машина: Nissan Almera 99
Сообщений: 7
SileNTViP is on a distinguished road
По умолчанию

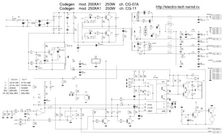
Люди добрые. Помогите!!! Есть БП Codegen 300X1. Искал схему, но нашел что то отдаленно похожее... Очень схожа с 250 ваттным. Подскажите как переделать. Заранее спасибо )))
Миниатюры
Нажмите на изображение для увеличения
Название: codegen_cg-07a.jpg
Просмотров: 8634
Размер:	19.4 Кб
ID:	9438  
SileNTViP вне форума   Ответить с цитированием