Добрый день. Делаю очередной велосипед. А именно БД для khadas vim1.
Вдохновился другими проектами, но есть индивидуальные хотелки поэтому решил делать свое

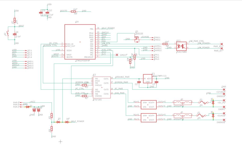
Схему накидал пока что такую. От разных авторов взял разные идеи и решения и объединил все это по своему видению.
Так как скилл в разработке не сильно прокачан поэтому решил не разводить полностью схему с нуля а использовать так где это можно уже готовые решения.
Пояснение:
два электролита с3 с4 после диода призваны компенсировать просадку при прокрутке стартера.
d5 d6 это TVS диоды. Призваны защитить электронику если что то произойдет со стабилизаторами и на выход пойдет напряжение бортсети.
импульсники на mp1584en
q1 - полевик в sot23 корпусе для управления вентилятором.
pc817 - оптопара для управления khadas vim
gpio27 - 3.3в с хадаса - показывает что он не спит.
разъем btn - две кнопки. Назначение еще не придумал. Пины остались свободные решил развести их
1wire - температурный датчик ds18b20
fan2- выход на вентилятор
прошиваю через swd
sda scl - если памяти хватит подключу oled экран
Описание остальных ног и разъемов вроде понятно с их названия

В остальном схема в принципе типовая как у всех остальных.
не у всех деталей номиналы пока что еще проставлены.
Прошу совета у более опытных:
1. какого номинала выбрать TVS диоды? на 5.5 вольт или какое напряжение?
2. что еще стоит добавить\поменять для большей надежности?