Показать сообщение отдельно
Старый 21.04.2017, 00:48   #480
Senia
Пользователь
 
Регистрация: 04.09.2010
Возраст: 42
Регион: Украина
Сообщений: 47
Senia is on a distinguished road
По умолчанию

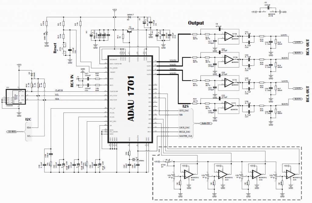
Набросал заново схему, добавил потенциометры (настраивать ими можно что хочешь, громкость, бас и так далее) выход I2S будет для двух каналов на AK4430, в итоге будет 6 каналов. Думаю использовать аудио-модуль Bluetooth 4.0 на CSR8635 с поддержкой USB, усилитель на TDA8950 и процессор STM32F105RB управляемый по Wi-Fi. Завтра выложу все схемы, для замечаний
Миниатюры
Нажмите на изображение для увеличения
Название: ADAU1701.jpg
Просмотров: 588
Размер:	83.5 Кб
ID:	47265  
Senia вне форума   Ответить с цитированием