Показать сообщение отдельно
Старый 12.01.2017, 13:02   #2322
Vladget
Moderator
 
Регистрация: 04.04.2009
Возраст: 69
Город: Краснодар
Регион: 23, 93
Машина: HONDA CR-V-08
Сообщений: 3,129
Vladget is a splendid one to beholdVladget is a splendid one to beholdVladget is a splendid one to beholdVladget is a splendid one to beholdVladget is a splendid one to beholdVladget is a splendid one to beholdVladget is a splendid one to behold
По умолчанию

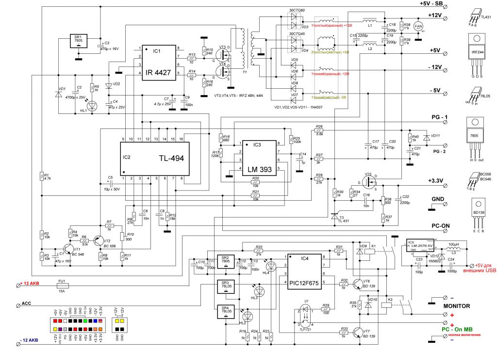
Печатку с первого поста не делать - не удобно и есть ошибки.
в архиве все от простого до самого сложного -на смд с контроллером, будут вопросы спрашивай. да и все вертится вокруг схемы с первого поста, на каждую печатку схемы нет, на некоторых печатках стоит драйвер полевиков на это схемы, вложил схему на которую нет печатки но есть драйвер а так все на печатках прописано. смд вариант собирали печатка рабочая без ошибок.
контроллер отсюда http://compcar.ru/forum/showthread.php?t=4502
Миниатюры
Нажмите на изображение для увеличения
Название: BP1.jpg
Просмотров: 1277
Размер:	113.3 Кб
ID:	46268  
Вложения
Тип файла: zip платы.zip (323.0 Кб, 937 просмотров)
__________________


Vladget вне форума   Ответить с цитированием