После 2 недельного неспешного ковыряния продолжу описание:
 после тестирования дома встроенного звука 

 , была приобретена внешняя звуковуха 
http://www.nix.ru/autocatalog/creati...5.1_57155.html
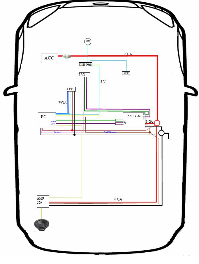
Из-за того, что все провода от мона вделаны в одну "косу", переработана эл. схема (Изменения: питание 12В от разветвителей питания, юсб от компа) 
 Делаю (мучаю) рамку:
разбираем мон  : 

прикладывем: 
как видно по высоте места совсем не остается 
вид с обратной стороны(с помощью холодной сварки вделаны 4 столбика с внутренней резьбой для прикручивания 2 алюминиевых планок (шлепки по центру -неудачная попытка вкрутить прямо в сварку)  ): 
после грунтовки и окраски: 
хорошо видны "косяки производства". 
Решено не переделывать, а примерить пока так:
Для меня дисплей получился слишком наклонно. Решено рамку не переделывать, а купить лицевую панель и встраивать в нее, но уже более вертикально.
Поключаем 4 кан. усилок:
   
Комп+звуковуха:
Приделан моноблок: 

позже закроется облицовочной панелькой 
Результат: 
Ввиду непонятного поведения юсб-хаба полноценно не установлен жпс и двдюк. 
Пока самая большая проблема : в тишине несильно слышны наводки (треск) от чего? пока непонятно. Как бороться? ставить фильтр шумов? 
http://www.techhome.ru/catalog/auto/F9000C86_9.htm
пока все! 
