Показать сообщение отдельно
Старый 22.12.2015, 15:00   #3639
тсж39
Старший Пользователь
 
Аватар для тсж39
 
Регистрация: 14.04.2011
Возраст: 66
Город: Санкт-Петербург
Регион: 78, 98
Машина: TOYOTA Sienta
Сообщений: 385
тсж39 is on a distinguished road
По умолчанию

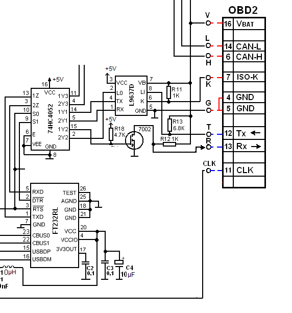
не правильно, вход 12 и выход 13
Миниатюры
Нажмите на изображение для увеличения
Название: к2.PNG
Просмотров: 637
Размер:	29.7 Кб
ID:	42076  
__________________
не стесняйтесь спрашивать
тсж39 вне форума