Показать сообщение отдельно
Старый 09.09.2007, 22:47   #25
Трек
Старший Пользователь
 
Регистрация: 30.07.2007
Возраст: 49
Город: МО Красногорск, Химки
Регион: 50, 90, 150
Машина: калина2
Сообщений: 249
Трек is on a distinguished road
По умолчанию

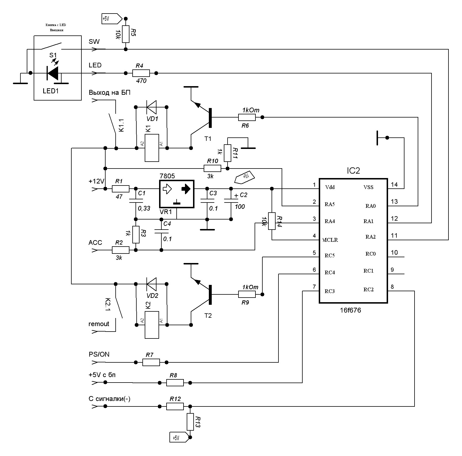
а вот и схема....
Миниатюры
Нажмите на изображение для увеличения
Название: 2.jpg
Просмотров: 1488
Размер:	177.2 Кб
ID:	3755  
Трек вне форума   Ответить с цитированием