04.09.2015, 16:54
|
#1648
|
|
Super Moderator
Регистрация: 19.07.2011
Возраст: 54
Город: Нижегородские болота
Регион: 52
Машина: пешкарус
Сообщений: 2,033
|
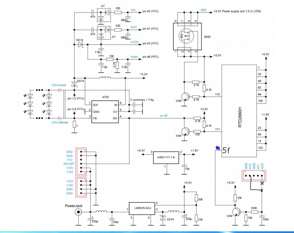
Цитата:
Сообщение от sclif83
я то думал что там просто без каких либо радиодеталей подпаялся и всё, а непонятно мне в принципе всё где 12в на схеме какие детали нужно ставить я в этом полный ноль ну в смысле на пальцах только понимаю 
|
Так лучше?
|
|
|