Показать сообщение отдельно
Старый 31.03.2014, 17:14   #799
sclif83
Старший Пользователь
 
Аватар для sclif83
 
Регистрация: 21.07.2013
Возраст: 42
Город: Хотьково
Регион: 77, 97, 99, 177
Машина: Honda Accord 8 (Kia rio 3 продал)
Сообщений: 648
sclif83 will become famous soon enough
По умолчанию

Цитата:
Сообщение от Azimut Посмотреть сообщение
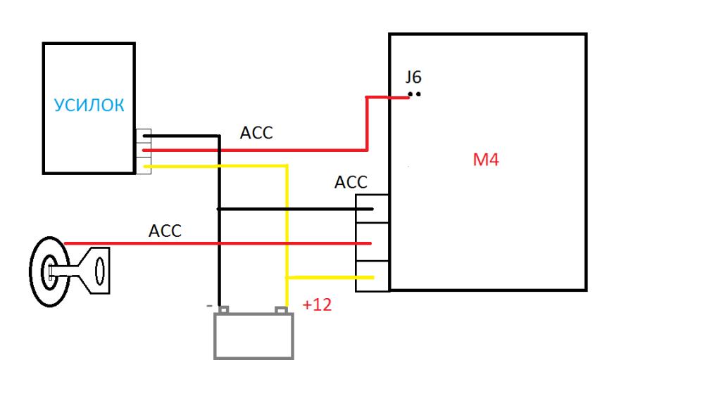
Я к J6 подключал.
А че там соображать? На один конец провода припаиваем клемму для J6, второй конец провода обжимаем в гнезде управляющего сигнала усилителя.
Я правильно понял надо вот так подключать? просто так я пробовал не чего не вышло и не понятно эти контакты как работают после задержки они замыкаються или там плюс появляеться а минус постоянный
Миниатюры
Нажмите на изображение для увеличения
Название: Безымянный.jpg
Просмотров: 1526
Размер:	30.5 Кб
ID:	35469  
__________________
Мой первый проект Kia Rio New был заброшен на 70%
Второй Honda Accord 8 Уже 95% (остались как всегда мелочи)

Последний раз редактировалось sclif83; 31.03.2014 в 18:02.
sclif83 вне форума   Ответить с цитированием