Показать сообщение отдельно
Старый 12.03.2014, 11:51   #34
il74
Старший Пользователь
 
Аватар для il74
 
Регистрация: 07.05.2009
Возраст: 51
Город: Стерлитамак
Регион: 02
Машина: Toyota Corolla 2007
Сообщений: 115
il74 is on a distinguished road
По умолчанию

Цитата:
Сообщение от YAM1966 Посмотреть сообщение
У Вас есть электросхема Вашего авто?
Контакт B/4 имеет несколько туманное описание, необходимо определить куда конкретно он идет. "Пульт ДУ на рулевом колесе" - очень смахивает на наличие какого-то контроллера на самом руле, который обслуживает кнопки и это не просто линия от резистивных кнопок.
По B/7 тоже не ясен его тип.
Контроллер питается от его USB разъема. В Вашем случае от свистка X31.
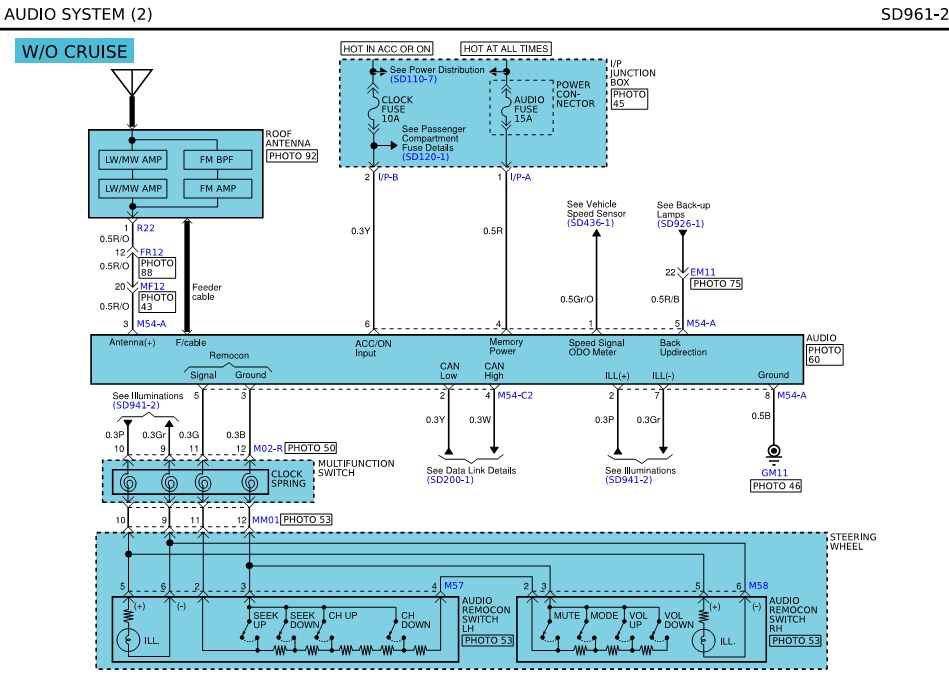
Вот схемы.
Миниатюры
Нажмите на изображение для увеличения
Название: схема.jpg
Просмотров: 1036
Размер:	110.6 Кб
ID:	35199   Нажмите на изображение для увеличения
Название: схема2.jpg
Просмотров: 1307
Размер:	120.4 Кб
ID:	35200  
__________________
TOYOTA Corolla 2007 - ПРОДАН
KIA CEED
il74 вне форума   Ответить с цитированием