Показать сообщение отдельно
Старый 09.02.2014, 20:51   #8
s.m.
Гуру
 
Регистрация: 20.07.2009
Город: Минск
Регион: Беларусь
Сообщений: 1,543
s.m. is a splendid one to beholds.m. is a splendid one to beholds.m. is a splendid one to beholds.m. is a splendid one to beholds.m. is a splendid one to beholds.m. is a splendid one to beholds.m. is a splendid one to behold
По умолчанию

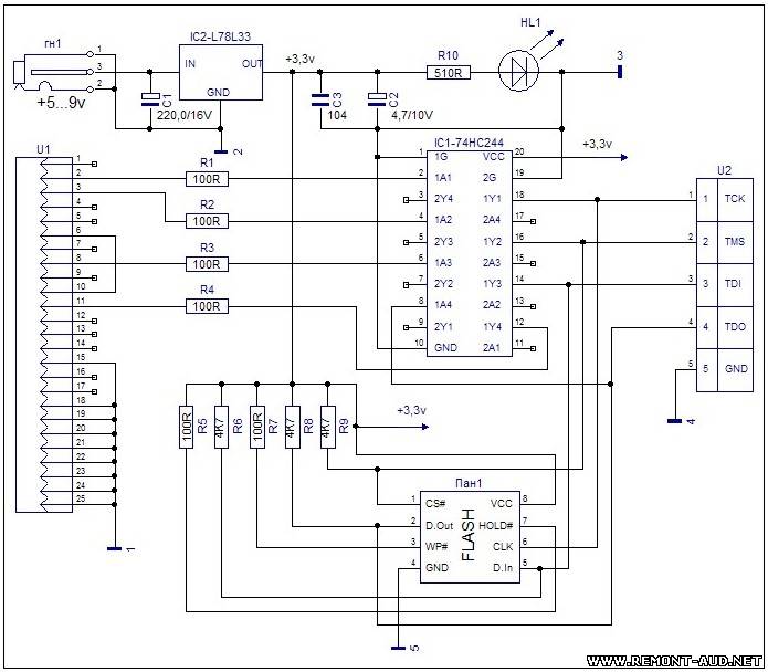
Сегодня спаял программатор
по схеме

с сайта remont-aud

Выпаял флэш, подключил программатор и слил прошивку прогой Postal2,
по инструкции

Прошивку прилагаю

Попробовал залить прошивку отсюда

http://www.pccar.ru/showpost.php?p=271257&postcount=40

так как у человека был такие же симптомы.

Вернул флэш обратно, но чуда не произошло - видимо прошивка несовместима с моей матрицей - вместо изображения полосы сквозь которые еле видна надпись включенного входа.

В той теме упоминалось, что нужно почистить прошивку, начиная с 41000 и будет все пучком, ибо там хранятся пользовательские настройки.

Буду очень признателен, если кто поможет сделать подобное с моей прошивкой.
Миниатюры
Нажмите на изображение для увеличения
Название: prog.jpg
Просмотров: 3573
Размер:	61.6 Кб
ID:	34673  
Вложения
Тип файла: zip rtd2660.zip (76.9 Кб, 2275 просмотров)
__________________
Мой проект: Citroen Xsara Android CarPC
s.m. вне форума   Ответить с цитированием