Показать сообщение отдельно
Старый 29.06.2007, 11:05   #24
NSMax
Сибиряк
 
Аватар для NSMax
 
Регистрация: 11.04.2007
Возраст: 52
Город: Свободно перемещающийся
Регион: другой - для добавления сообщить ab
Машина: Jaguar X-Type
Сообщений: 785
NSMax has a spectacular aura aboutNSMax has a spectacular aura aboutNSMax has a spectacular aura about
По умолчанию

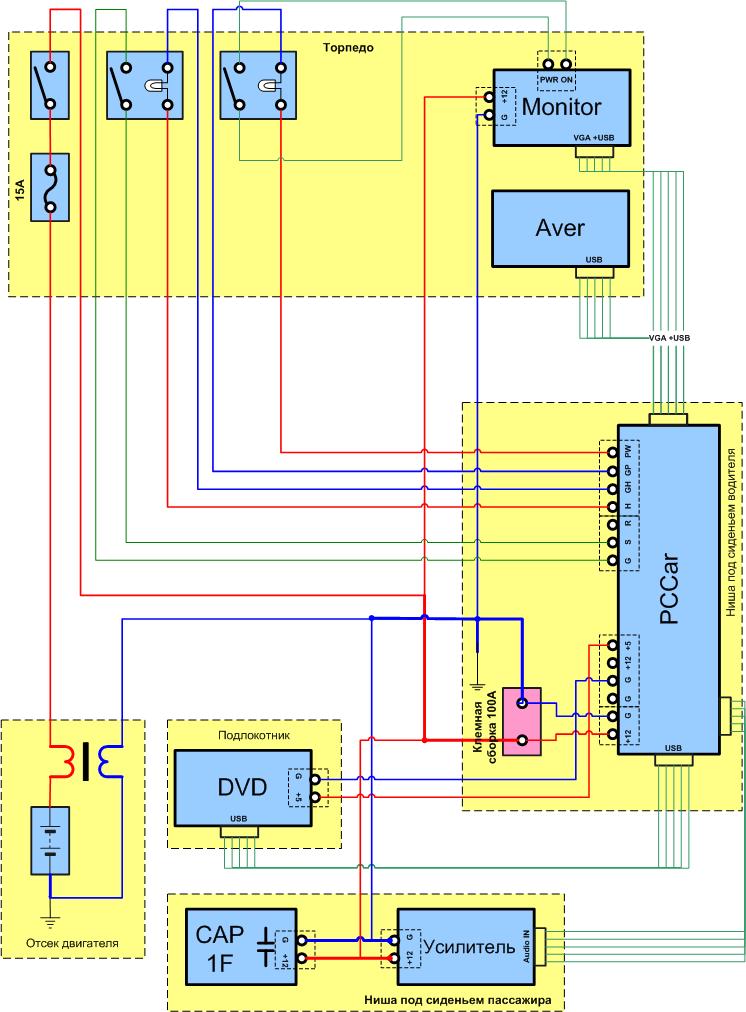
А это схема проводов. Забыл выложить ранее.
Миниатюры
Нажмите на изображение для увеличения
Название: схема.jpg
Просмотров: 5723
Размер:	109.3 Кб
ID:	3128  
NSMax вне форума   Ответить с цитированием