Цитата:
Сообщение от Ralf
Рамис, а из тех что на странице http://www.12v.ru/site.xp/052048055124.html какие-нибудь подойдут?
Просто хотел там реле времени заказать, а там оказывается минимальный заказ 500 руб. Вот и решил добрать реле на замену HJR-21FF-S-Z.
|
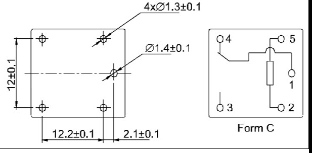
Вот схема HJR-21FF-S-Z (7А) и HJR-3FF-S-Z (5А), у них одинаковые. Это электромагнитные реле на печатную плату. Я по твоей ссылке посмотрел, там от 20А, я думаю это много для нашего БП.
