Показать сообщение отдельно
Старый 20.09.2013, 12:11   #1384
тсж39
Старший Пользователь
 
Аватар для тсж39
 
Регистрация: 14.04.2011
Возраст: 66
Город: Санкт-Петербург
Регион: 78, 98
Машина: TOYOTA Sienta
Сообщений: 385
тсж39 is on a distinguished road
По умолчанию

Цитата:
Сообщение от Valentin8080 Посмотреть сообщение
Что то распиновка странная, может лучше схему поискать на данное авто, чтобы убедится какие все-таки диагностические линии присутствуют?
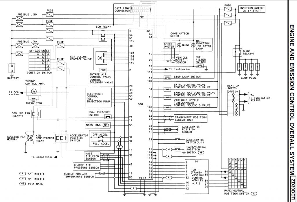
да все правильно,вот его схема
Миниатюры
Нажмите на изображение для увеличения
Название: Nissan Patrol.jpg
Просмотров: 1214
Размер:	117.8 Кб
ID:	32871  
__________________
не стесняйтесь спрашивать
тсж39 вне форума