Показать сообщение отдельно
Старый 22.08.2013, 01:05   #4
ВладимирC
Старший Пользователь
 
Регистрация: 20.08.2007
Возраст: 53
Город: Москва
Регион: 77, 97, 99, 177
Машина: Hyunday Grandeur 3.3
Сообщений: 852
ВладимирC is a glorious beacon of lightВладимирC is a glorious beacon of lightВладимирC is a glorious beacon of lightВладимирC is a glorious beacon of lightВладимирC is a glorious beacon of light
По умолчанию

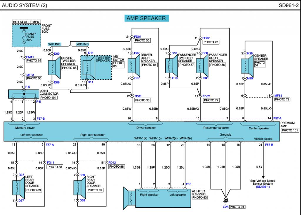
Выложу схемы подключения штатных магнитолы и усилителя.
Миниатюры
Нажмите на изображение для увеличения
Название: СхемааудиоГранд.jpg
Просмотров: 1795
Размер:	110.5 Кб
ID:	32412   Нажмите на изображение для увеличения
Название: СхемааудиоГранд2.jpg
Просмотров: 1830
Размер:	105.4 Кб
ID:	32413  
ВладимирC вне форума   Ответить с цитированием