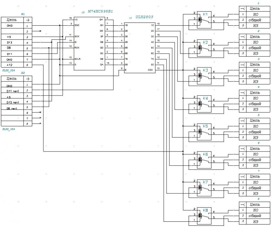
Схема блока управления нагрузками на 8 реле. Блок реле подключается к ардуино через разьём Х1, если надо использовать 16 реле, то к разъёму Х2 первого блока реле подключаем разъём Х1 второго блока реле и так можно расширить до 4х блоков, то есть 32 реле
(ардуино) -- (Х1 блок1 Х2) -- (Х1 блок2 Х2) -- (Х1 блок3 Х2) -- (Х1 блок4 Х2)
Макет печатной платы
