Прикупил себе в качестве радио ради интереса такой девайс
http://masterkit.ru/main/set.php?code_id=607729
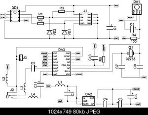
Встал вопрос как прикрутить к нему антенну. В сапорте молчат, нет конкретики что куда и как, так сказать для нуба... ну да, не шарю в этом деле. Из описания: Для этого нужно перерезать связь (замыкание) на разъёме J3 (низ платы) и впаять антенну на квадратную контактную площадку.
схемы

:

Максимум на что хватило моего мозга

Так понимаю, просто разорвать дорожку?
На квадратную площадку припаивать + антенны, а землю от антенны куда девать?