Показать сообщение отдельно
Старый 22.02.2012, 17:24   #1385
Vladi
Новый Пользователь
 
Регистрация: 13.02.2012
Возраст: 41
Город: SPB
Регион: 78, 98
Машина: Old Scool 2108
Сообщений: 13
Vladi is on a distinguished road
По умолчанию

Vladget,
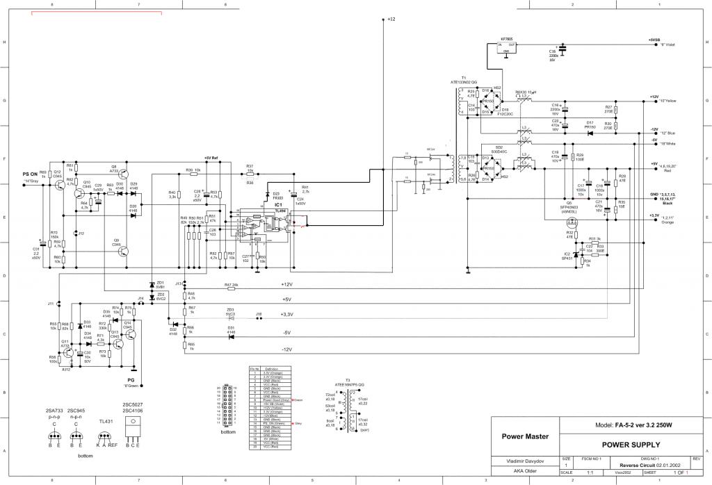
Поправил схему.
Миниатюры
Нажмите на изображение для увеличения
Название: power_master_fa_5_2_v3-2.jpg
Просмотров: 1239
Размер:	75.8 Кб
ID:	25520  
Vladi вне форума   Ответить с цитированием