Показать сообщение отдельно
Старый 13.02.2007, 01:17   #38
mcf1
Guest
 
Сообщений: n/a
По умолчанию

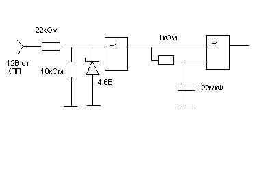
решил первый вопрос вот таким способом
проверено, работает четко, теперь на выходе и при подаче и при снятии напряжения проскакивает ипульс
Миниатюры
Нажмите на изображение для увеличения
Название: In.JPG
Просмотров: 1844
Размер:	7.8 Кб
ID:	1735  
  Ответить с цитированием