Показать сообщение отдельно
Старый 01.12.2010, 19:33   #204
OKLiK
Старший Пользователь
 
Аватар для OKLiK
 
Регистрация: 08.06.2009
Возраст: 48
Город: Екатеринбург
Регион: 66, 96
Машина: Калина 2 - 219470 Норма
Сообщений: 339
OKLiK has a spectacular aura aboutOKLiK has a spectacular aura about
По умолчанию

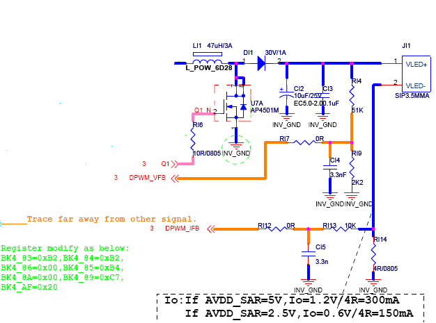
Кстати так выглядит схема шима подсветки на наших платах, изменены некоторые наминала и все
Миниатюры
Нажмите на изображение для увеличения
Название: LED_Dr1.PNG
Просмотров: 1683
Размер:	28.4 Кб
ID:	19277  
OKLiK вне форума   Ответить с цитированием