Да ладно! Пошутил я, пошутил 
"...Ток пальцем у виска частенько крутят!Завгар уж привык:если я что-то начал - то работы от меня НАВРЯДЛИ дождёшся..." - та же фигня  Продолжаются чудеса с USB...
Продолжаются чудеса с USB...
Сегодня по дороге на работу, опять, аж два раза - сначала отваливается модем, потом начинает моргать PowerMate с частотой примерно один раз в секунду и одновременно отваливается тычскрин. Т.е. отваливаются устройства, подключенные к хабу - следовательно отваливается хаб. При этом сам компьютер работает вполне исправно - музыка играет, USB устройства подключенные напрямую к материнской плате работают нормально, мышкой все управляется. После перезагрузки - все опять работает как ни в чем не бывало.
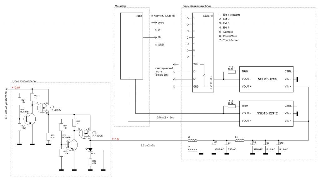
Попытался понять, что в конечном итоге у меня получилось - результат анализа на картинке.
В принципе все понятно из схемы, но некоторые детали требуют пояснений:
Плюс от АКБ, через колбу 80А, проводом 4Га ~8м, к плюсовой клеме усилителя.
Земля от кузова авто, проводом 4Га ~50см,  к минусовой клеме усилителя. Кроме этой цепи, корпус усилителя электрического контакта с кузовом не имеет.
От клем питания усилителя, проводом 2.5мм2 ~50см, питание подходит к СБ. Шасси СБ контакта с кузовом не имеет. Внутри СБ вся земля собрана в одной точке, максимально приближенной к 20пин разъемам материнки и блока питания. В составе СБ имеется 
контроллер - на картинке кусок его схемы.
От контроллера, вперед к торпеде, к блоку коммутации, идет провод 2.5мм2 ~5м.
Земля в блоке коммутации и конструкция монитора электрического контакта с кузовом авто не имеют.
"Дополнительные" земли: видео VGA и видео RCA (от усилителя к AV2 монитора)
Тачскрин подключен к хабу только D+ и D-. +5в USB и в родном кабеле не использовался, а землю я подключать не стал (Наверное зря! Получается что земля идет по VGA и RCA. Хотя, если бы подключил - была бы третья...)
Так же, разорван +5в между материнкой и входом хаба. Но поскольку хаб без +5в на входе не запускается - эти 5в взяты с преобразователя.
Грешил на возможное падение на полевиках в контроллере. Результаты замеров на заглушенном авто: клемы усилителя = 12.07, на входе системника = 12.06, на выходе системника = 11.6. Вход и выход СБ замерялись относительно минусовой клемы усилителя. Т.е. падение внутри СБ (полевики контроллера) = 0.47 На мой взгляд - фигня, особенно учитывая диаппазон входнго напряжения преобразователей 9...18в. Разница между минусовой клемой усилителя и минусами входа и выхода СБ = 0.02в.
Допускаю вариант, что контуженные хаб и/или пятивольтовый преобразователь... А может пятиметровый USB кабель от материнки к хабу...
А может ферритовое колечко повесить на провод питания к КБ, на выходе СБ?
Кто что думает?