Цитата:
Сообщение от Virtual
|
Спасибо, будем пробовать)
Цитата:
Сообщение от Virtual
2.
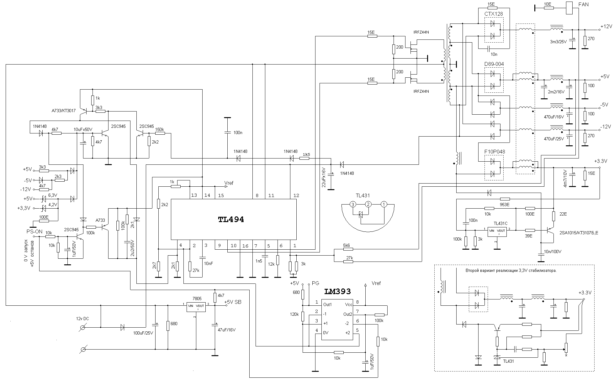
странно,  а по даташиту от 7 до 40в 
|

ну, у меня 12 вольт))
Цитата:
Сообщение от Virtual
3.
по какой?, ссылкой ткни... если из первого поста то она не самая удачная.
|
Вот очень походе, только я 15 Ом не стал ставить не затворы
Цитата:
Сообщение от Virtual
ЗЫ теория в том:
нагрев MOSFET ключей, на90% происходит во время переходных процессов, тоесть недостаточно быстро закрывается иль открывается, или не полностью... //высокое сопротивление есть нагрев согласно постулатам Георга Ома
что тл494, что схема в первом посту, нормально открывают ключ, но нифига его не закрывают, ибо емкость затвора всетаки есть  .
ЗЫЗЫ еще раз напоминаю про емкости на входе! максимально близко к полевикам, да пара электролит+керамика на ~0.01Мкф это важно!
+ в приведенной мной схем выше C7R12 C8R13 очень инересные эллементы, призваны гасить паразитную ВЧ составляющую... но как их посчитать не имея осциллографа (для замера частоты оной) я не знаю  . а она очень сильно "гадить" при приличных нагрузках в плане нагрева.
|
ну, попробую драйвер поставить пока да емкости на вход. Спасибо за ответы!