Тема: Радио FMAvto
Показать сообщение отдельно
Старый 21.10.2009, 22:46   #88
dadlick
Пользователь
 
Регистрация: 07.08.2009
Регион: 77, 97, 99, 177
Сообщений: 54
dadlick is on a distinguished road
По умолчанию

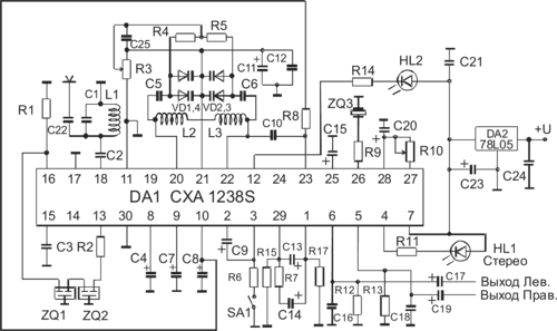
Я не силен в аналоговой электронике, но мне казалось... и намногих схемах я видел некий диод индицирующий прием стерео сигнала. Этот сигнал наверно можно использовать?
Схемка взято вот от сюда http://www.radiokonstruktor.ru/Radio...ialnaya_shema/
Миниатюры
Нажмите на изображение для увеличения
Название: 284.gif
Просмотров: 1804
Размер:	20.4 Кб
ID:	13476  
dadlick вне форума   Ответить с цитированием