Показать сообщение отдельно
Старый 12.10.2009, 13:31   #289
Grubin
Новый Пользователь
 
Регистрация: 16.06.2009
Возраст: 58
Город: Odessa
Регион: 54
Машина: FiatGP-06
Сообщений: 14
Grubin is on a distinguished road
По умолчанию

Цитата:
Сообщение от (vS) Посмотреть сообщение
без схемы непонятно...
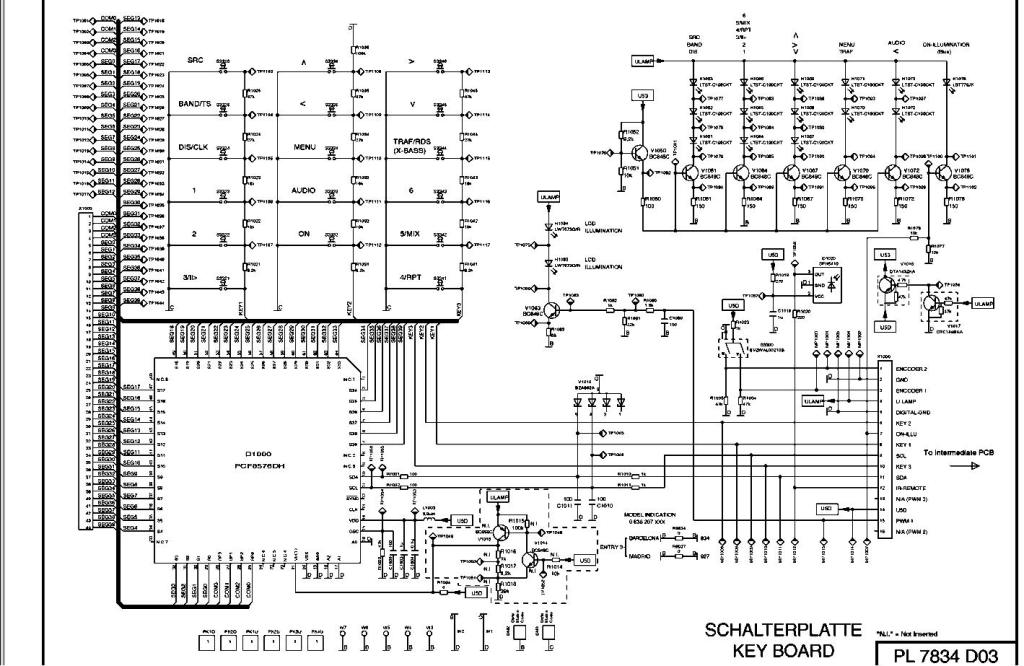
Вот схема моей панели. Качество не очень... В средней, по схеме линейке кнопок стоит резистор 100к на корпус.
Миниатюры
Нажмите на изображение для увеличения
Название: mp-35.jpg
Просмотров: 2323
Размер:	132.4 Кб
ID:	13369  
Grubin вне форума   Ответить с цитированием