Показать сообщение отдельно
Старый 02.10.2009, 15:25   #536
Chip
Старший Пользователь
 
Аватар для Chip
 
Регистрация: 29.05.2007
Город: Москва
Регион: 77, 97, 99, 177
Сообщений: 372
Chip will become famous soon enough
По умолчанию

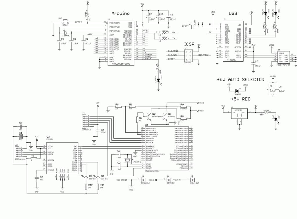
Я посмотрел на схему и схема почти такая же как и у arduino, только нужно кварц сменить и K-line драйвер добавить. Правда у arduino ценник на 300 руб дороже , но зато нет сложностей с разводкой и пайкой FTDI

Нажмите на изображение для увеличения
Название: org.jpg
Просмотров: 1816
Размер:	65.1 Кб
ID:	13248

Последний раз редактировалось admin; 03.10.2024 в 13:10.
Chip вне форума   Ответить с цитированием