PCCar.ru - Ваш автомобильный компьютер

PCCar.ru - Ваш автомобильный компьютер (https://pccar.ru/index.php)
-   Arduino проекты (https://pccar.ru/forumdisplay.php?f=195)
-   -   Преобразователь с 3,6В в 220В (https://pccar.ru/showthread.php?t=27485)

admin 03.04.2018 23:50

Преобразователь с 3,6В в 220В
 
Вложений: 1
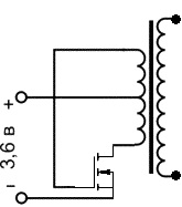
Рассказ о том, как сделать своими руками преобразователь с 3,6В в 220В, всего за 1 минуту.
Собрались на природу, рыбалку, охоту и т.д. И вдруг обнаружили что у Вас сдох инвертор 220в. Не проблема, из подручных компонентов можно собрать преобразователь на 220В всего за 1 мин. Конечно для мощных потребителей схема не подойдет, но запитать от нее светодиодную лампочку можно.
За основу взял схему блокинг генератора. Схема состоит всего из двух деталей: mosfet транзистор IRF540 и маломощный силовой трансформатор 220В - 12В, от старинного адаптера питания.

Вложение 49509

Для чего я это собрал? Для того что бы зарядить пушку Гаусса от одного Литий-Ионного аккумулятора.
Весна пришла и на даче, в лесу с ребенком, можно пострелять по мишеням





Часовой пояс GMT +4, время: 20:40.

Работает на vBulletin® версия 3.8.4.
Copyright ©2000 - 2025, Jelsoft Enterprises Ltd.
Перевод: zCarot