PCCar.ru - Ваш автомобильный компьютер

PCCar.ru - Ваш автомобильный компьютер (https://pccar.ru/index.php)
-   Подсветка матриц (https://pccar.ru/forumdisplay.php?f=149)
-   -   Вариант регулировки яркости подсветки (https://pccar.ru/showthread.php?t=21136)

Leobor 05.09.2014 22:48

Вариант регулировки яркости подсветки
 
Вложений: 4
Предлагаю один из самых бюджетных и в то же время эффективных вариантов регулировки яркости подсветки матрицы. Разработка актуальна для матриц, имеющих напряжение подсветки 9-11В.
Для этого очень хорошо подходит драйвер, который входит в китайский комплект для замены ламп CCFL на светодиоды в ноутбуках.
Выглядит он так
Вложение 38238
Драйвер очень легкий и аккуратный. Его размеры 73*9*5мм. Нижняя плоскость абсолютно гладкая и никакие элементы на ней не распаяны. Очень удобно крепить его на 2-сторонний скотч прямо к обратной стороне матрицы.
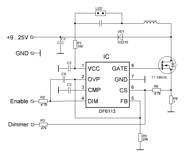
Вот его схема
Вложение 38239
Драйвер имеет 4 вывода для подключения:
- напряжение питания от 9 до 25В (красный провод)
- enable (включить - к "+" питания) (желтый провод)
- dimmer (на "массу" - максимальная яркость) (белый провод)
- общий (черный провод)
Тип разъема, его распиновка и управление полностью совпадают с разъемом управления подсветкой "народного" контроллера на RTD2660H за исключением "белого" провода. Контроллер им не может управлять, а мы - можем. Предлагаю два варианта управления: ручной (потенциометром) и автоматический (при помощи фотоэлемента). Делается все по этой примитивной схеме
Вложение 42280
а) Ручная регулировка.
резистор R* подбирается из соображений необходимой минимальной яркости. Выходы регулировок яркости у всех приборов (контроллеров, которые имеют такой выход), к которым должна подключаться эта линия, имеют диапазон регулировки 0...3,3В или 0...5В. Других не бывет. Резистор можно и вообще не ставить (вывод драйвера окажется в минимальной яркости подтянут к +12В, не сгорит), но в этом случае потенциометр будет производить регулировку всего диапазона яркости максимум на половину а то и на треть своего оборота. Так что я думаю, резистор нужен, и его номинал должен быть минимум 1,1..1,2 номинала самого потенциометра. Вот тогда регулировка будет производиться на всех 270 градусах поворота. Опять же, напрашивается вопрос: какой смысл регулировать яркость до полного погашения подсветки? Так что можно смело ставить резистор в 2-3 номинала потенциометра.
б) Автоматическая регулировка.
В качестве фотоэлемента можно поставить любой фотодиод или фоторезистор, работающие в видимом спектре. Хорошо подходят отечественные от систем ДУ советских телевизоров (ФД263, ФД230). Можно экспериментировать с любыми имеющимися в наличии. Транзистор... в принципе любой высокочастотный NPN и допустимым напряжением Uкэ не менее 30В. Из наших можно брать КТ3102, КТ342. Из импорта C9014, C1815, C945. Верхний резистор (от 12В к фотодиоду) включен именно так из соображений безопасности - фотоэлемент выносится куда то на проводах и этот резистор позволяет избежать неприятных последствий от случайного контакта какого нибудь проводника с "массой" автомобиля. Конденсатор в базе транзистора предотвращает резкое изменение яркости подсветки матрицы от случайных резких изменений освещенности фотоэлемента. Резисторы, помеченные звездочками, предназначены для первичных регулировок. Резистором 4,7к подбирается яркость экрана при полностью затемненном фотоэлементе, а резистором 100кОм подбирается оптимальный режим под чувствительность фотоэлемента. Например при его сильной чувствительности достаточно 100кОм, а в случае слабой - необходимо увеличить сопротивление. Например для фотодиода ФД263 нужно поставить порядка 470-510кОм. Не стоит пытаться сделать линейную регулировку во всем диапазоне - это проблематично. Достаточно чтобы была регулировка от состояния "яркого солнца" до "пасмурно". Наиболее качественный результат получается при размещении фотоэлемента не рядом с матрицей, а на поверхности торпеды, обращенной к окну (вверх).
Эту схему АРЯ можно порекомендовать для применения каких то неизвестных или слабочувствительных фотоэлементов.
Я случайно обнаружил, что в схемах автостопа импортных видеомагнитофонов применялись очень чувствительные фотодиоды. Они стоят на самой плате на высоких штырях и при загрузке видеокассеты заходят внутрь ее. Они предназначены для контроля наличия пленки. Выглядят они так:
http://img.chipfind.ru/photo/sharp/108984.jpg
Так вот путем экспериментов с их применением была собрана упрощенная схема автоматической регулировки. Выглядит она так:
Вложение 42949
Подстроечный резистор предназначен для установки минимальной яркости при затемненном фотодиоде. Конденсатор емкостью 100мкФ - для избежания резких скачков яркости. Если вдруг не будет устраивать минимальная яркость, то можно еще поиграться подбором резистора, включенного последовательно с подстроечным. Например для другого фотодиода его сопротивление (меня устроило) 180кОм.
Помимо регулировки яркости данный драйвер также решает проблему с нехваткой мощности встроенного драйвера контроллера для матриц с "прожорливой" LED подсветкой. В исходном варианте нужно смотреть, какое сопротивление имеет резистор R4 (на схеме драйвера). Попадаются драйверы с R4 равным и 1 Ом и 0,75 Ом. При его номинале 1 Ом ток подсветки стабилизирован примерно на 350мА. Чтобы его уменьшить - нужно пропорционально увеличить сопротивление R4. Подробнее - пост #9.
Стоимость его в Китае невелика (порядка 60-70 руб), но с доставкой выйдет в 2-3 раза дороже, например вот под 160 руб.
Есть один нюанс: такие драйверы бывают как с 4, так и с 3 выводами. Следует иметь в виду, что последние не имеют регулировки яркости, а, следовательного для этой конструкции не подойдут. Поэтому надо спрашивать у продавцов именно с диммером.
Как вариант вот еще один вариант подобного драйвера (на микросхеме из серии PT41ХХ, по-моему это PT4115). Но опять же - по приведенной ссылке отсутствуют элементы регулировки яркости. Т.е. нужно искать с регулировкой.

Acop 07.09.2015 21:19

Как я понял такая тема верна только для дисплеев у которых отдельно идет разъем для подсветки?
для тек у которых все на шлейфе основном не прокатит?

sclif83 07.09.2015 21:48

Цитата:

Сообщение от Acop (Сообщение 337510)
Как я понял такая тема верна только для дисплеев у которых отдельно идет разъем для подсветки?
для тек у которых все на шлейфе основном не прокатит?

вроде прокатывает при наличие прошивки от ANCC и контроллера, здесь видео в низу как это всё работает.

SiC20101 08.09.2015 01:26

Все прокатывает. Причем при любой прошивке. Имею у себя этот драйвер, он подключается в контакты разъема шлейфа. (У меня на переходнике с 40pin на 50pin)

Acop 08.09.2015 11:02

Цитата:

Сообщение от sclif83 (Сообщение 337511)
вроде прокатывает при наличие прошивки от ANCC и контроллера, здесь видео в низу как это всё работает.

Я к ANCC за прошей постучал на почту пока молчит а личка у него переполнена
его вариант с подключением на 54 пин мне больше нра... читал его сайт и контроллер у меня народный тоже.
буду подождать прошивки под мой моник

Цитата:

Сообщение от SiC20101 (Сообщение 337520)
он подключается в контакты разъема шлейфа. (У меня на переходнике с 40pin на 50pin)

блин ну это такой колхозик...))))

sclif83 08.09.2015 11:55

Цитата:

Сообщение от Acop (Сообщение 337540)
Я к ANCC за прошей постучал на почту пока молчит

жди ответит

Leobor 10.09.2015 18:29

LCD панель и "лампочка", которая светит изнутри на эту панель - совершенно разные и независимые друг от друга вещи. Процесс, описанный в топике не имеет НИКАКОГО отношения к прошивке. Даже к самому этому слову "прошивка". Потому, что происходит регулировка самой "лампочки" подсветки и подсветка может работать даже с отключенным контроллером. Это раз.
Второе.
Цитата:

Сообщение от Acop (Сообщение 337540)
...блин ну это такой колхозик...))))
Цитата:

Сообщение от SiC20101 (Сообщение 337520)
Все прокатывает. Причем при любой прошивке. Имею у себя этот драйвер, он подключается в контакты разъема шлейфа. (У меня на переходнике с 40pin на 50pin)


Тут уж кому что кажется колхозиком. В варианте ancc (если задаться целью регулировать именно подсветку, а не бледность изображения) колхоз будет еще более громоздким. Т.е. все то же самое, что и в моем варианте и плюс каскад ШИМ/аналог.

kirnet 24.07.2016 00:02

Уважаемый Leobor хочу узнать какое потребление тока драйвера, при полном освещении датчика.

Leobor 31.07.2016 22:38

Вложений: 1
Да драйвер то сам почти ничего не потребляет - все отправляет на матрицу. А при полном освещении датчика - и есть максимум. Вот только на драйвере лучше все таки подобрать резистор по току подсветки. Они продаются в Китае с самыми разнообразными номиналами этого резистора. Например для тока подсветки 350-360мА (в матрице ZJ080NA-08A) я ставлю резистор суммарным сопротивлением 1,1 Ом. На плате есть места под два резистора, соединенных параллельно:
Вложение 44390
Для получения в сумме 1,1 Ом нужно поставить два резистора по 2,2 Ом.
Для других токов можно пересчитать обратно пропорционально:
- на 180мА резистор должен быть соответственно суммарным сопротивлением 2,2 Ом
- на 130мА - 3,3 Ом
Вот примерно такой расчет. Т.е. ориентировочно по формуле
R [Ohm] = 0.385V/I [A]
Данное значение получено эмпирическим путем и обмерено при помощи китайского тестера MASTECH MS8221C. Среднеквадратичное значение мне мерить было нечем.
Существует данный LED драйвер немного в другом исполнении - плата на зеленом текстолите и на обратной стороне написана модель CJY-10H80. При ее обмерах формула получилась R [Ohm] = 0.32V/I [A], хотя схема та же. Скорее всего дело в номинале дросселя (на зеленой плате он 47мкГн), но я не исключаю, что это результат технологического разброса параметров различных образцов микросхемы DF6113.

ali_vlad 01.08.2016 00:46

Вот бы к нему I2C прикрутить - ему бы цены не было


Часовой пояс GMT +4, время: 21:20.

Работает на vBulletin® версия 3.8.4.
Copyright ©2000 - 2026, Jelsoft Enterprises Ltd.
Перевод: zCarot