PCCar.ru - Ваш автомобильный компьютер

PCCar.ru - Ваш автомобильный компьютер (https://pccar.ru/index.php)
-   Вопросы и ответы (https://pccar.ru/forumdisplay.php?f=26)
-   -   Имитация кратковременного нажатия кнопки. (https://pccar.ru/showthread.php?t=15245)

kaprizz 14.06.2011 17:46

Имитация кратковременного нажатия кнопки.
 
Вложений: 4
Сорри что пложу темы, но.

Перерыл 2 форума, так и не нашел главного. Как сэмулировать нажатие кнопки вкл на ноутбуке.

Я повешу все схемы те что нашел, расскажите популярно - паять умею но не более)))

awtoap 15.06.2011 20:42

Схема на микре(первая схема) будет интересней всех остальных.

kaprizz 16.06.2011 03:05

..
 
все конечно хорошо но я не силен в схемотехнике можете плз. популярно обяснить что с чем спаять))

awtoap 16.06.2011 13:14

Вижу что знаний типа что такое резистор, что такое транзистор и соответственно где какая нога у вас ноль...попробуйте найти лучше мастера который вам это соберет за вменяемые деньги...будет гараздо проще.

kaprizz 17.06.2011 14:11

ответ понятен, первая схема и человек с мозгами и знаниями )))) спасибо..

admin 17.06.2011 14:35

Цитата:

Сообщение от awtoap (Сообщение 187373)
Вижу что знаний типа что такое резистор, что такое транзистор и соответственно где какая нога у вас ноль...попробуйте найти лучше мастера который вам это соберет за вменяемые деньги...будет гараздо проще.

Еще никто электронщиком не родился, все мы когда то с чего то начинали.
Лучше дать дельный совет чем отправлять человека к мастеру.
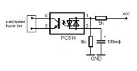
Для нажатия кнопки лучше применить эту схему , только я бы номиналы резисторов уменьшил раза в 2
http://pccar.ru/attachment.php?attac...1&d=1308055584

awtoap 17.06.2011 14:52

В данном случае это будет не дельный совет, а полностью сесть и объяснять какую лапу к какой припаять...лично у меня нет желания проводить ликбез. Потом нарисуйте мне плату ибо на соплях это не дело в авто. Поэтому считаю поход к любому мастеру, тому же телемастеру оправдан - он соберет это за вас за 5 сек и не надо будет ломать голову.

Хотя если хотите собрать сами я не против...все в ваших руках. По схеме с оптроном найдите в нэте описание распиновку ножек оптрона (даташит, datasheet) ну и далее уже подскажу что да куда с остальной мелочевкой.

kaprizz 17.06.2011 15:57

По оптрону все понятно, где точка там первая нога,(в чипе продается) вопрос по номиналам сопротивлений и конденсатора, какие нужны номинал что бы получить длительность срабатывания 0,5-1 секунда.???

to awtoap:
Спасибо. Но с теле мастерами в Питере не так все просто))
Сделать плату под 4 элемента это не сложно, текстолит, принтер утюг и в путь - можно и ножиком дорожки прорезать.
Вопрос был принципиальный, и не хотелось делать что нить на МК чтобы не заморачиваться с программаторами и всякой разной...

Схема на оптроне PC814 будет работать?
Какие лучше поставить номиналы?

Заранее спасибо.

awtoap 17.06.2011 22:30

В данном случае будет проще купить те номиналы, что на схеме и собрать. Если не подойдёт задержка нужно будет варьировать номиналом емкости (больше - дольше). Теоретически будет работать, а на практике кто его знает ))) В качестве оптрона подойдет PC817.

Alex-L 21.06.2011 19:36

Вложений: 1
Вот - во вложении.... как вариант...
На 555-ом таймере... Модель для протеуса, в натуре не собирал.


Часовой пояс GMT +4, время: 19:40.

Работает на vBulletin® версия 3.8.4.
Copyright ©2000 - 2025, Jelsoft Enterprises Ltd.
Перевод: zCarot