PCCar.ru - Ваш автомобильный компьютер

PCCar.ru - Ваш автомобильный компьютер (https://pccar.ru/index.php)
-   Усилители (https://pccar.ru/forumdisplay.php?f=41)
-   -   Remote и TDA7560, вопрос о минусе. (https://pccar.ru/showthread.php?t=11828)

phantom36 07.04.2010 11:18

Remote и TDA7560, вопрос о минусе.
 
Не пинайте сильно, вроде такой темы на форму не нашёл. Суть такова, есть усилитель на TDA7560 на мастеркитовской плате, с некоторыми изменениями, суть в следующем: блок питания M2 ITX, ремот - два провода, TDAшка включается перемычкой (+12 - перемычка - резюк - нога STBY на микрухе), минус усилителя завязан с корпусом, с массой машины, мне получается нужно с +Remote с блока питания кинуть проводок к тому контакту на платке усилителя, который идёт через резюк на STBY, и всё?

kazanova 30.04.2010 15:19

Я думаю можно, но на всякий случай подключил бы через миниатюрную слаботочную релюшку

Chip 30.04.2010 15:33

http://www.compcar.ru/forum/attachme...3&d=1251170178

Vic58 30.04.2010 15:33

Цитата:

Сообщение от phantom36 (Сообщение 137365)
блок питания M2 ITX, ремот - два провода, минус усилителя завязан с корпусом, мне получается нужно с +Remote с блока питания кинуть проводок к тому контакту на платке усилителя, который идёт через резюк на STBY, и всё?

Сомнения, я так понимаю, в том, что не знаете куда прицепить второй проводок от ремоута? Так минусовая цепь еще называется "общей". Т.е. сигнальный провод цепляете на управление (сигнал) и минусовую цепь на общий провод.

kazanova 02.05.2010 01:37

Цитата:

Сообщение от Vic58 (Сообщение 140883)
Сомнения, я так понимаю, в том, что не знаете куда прицепить второй проводок от ремоута? Так минусовая цепь еще называется "общей". Т.е. сигнальный провод цепляете на управление (сигнал) и минусовую цепь на общий провод.

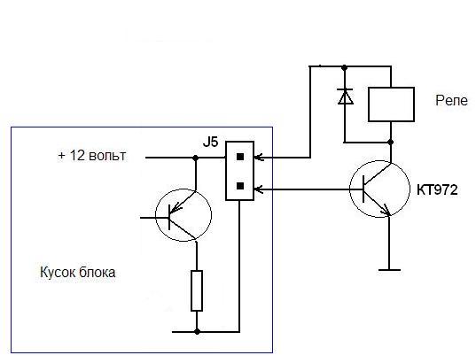
Если корпус компа не соединен с корпусом а/м (правильно), а усилок соединен (правильно), соответственно выходы звуковой платы по уму развязывать надо (прокачался я по этой теме, как на грабли понаступал))), то так нельзя. Вот Chip по уму нарисовал.

Если корпус усилка электрически связан с корпусом компа (и при этом нет помех и наводок ;) ), то можно напрямую

Virtual 02.05.2010 08:59

я чет слабо понимаю такую любовь к извращениям с механическими реле...
чем вам бональный оптрон не угодил? :)
зы светодиод оптрона через резистор на выходящий из бп повергут, оптотранзистор к TDA все просто и надежно ;)

kazanova 07.05.2010 23:25

Можно и оптроном. Ну и реле разные бывают: можно миниатюрную герконовую...

Virtual 08.05.2010 09:13

kazanova даж миниатюрные герконовые это всетаки мех. устройство, со всеми своими недостатками!
а один только дребезг контактов и импульсы самоиндукции в обмотках.... так что оптрон в данном случае 100% лучше.


Часовой пояс GMT +4, время: 14:54.

Работает на vBulletin® версия 3.8.4.
Copyright ©2000 - 2025, Jelsoft Enterprises Ltd.
Перевод: zCarot