PCCar.ru - Ваш автомобильный компьютер

PCCar.ru - Ваш автомобильный компьютер (https://pccar.ru/index.php)
-   Вопросы и ответы (https://pccar.ru/forumdisplay.php?f=26)
-   -   Ищу схемку для смены полярности (https://pccar.ru/showthread.php?t=4373)

alexzlo 05.02.2008 04:25

Ищу схемку для смены полярности
 
Предистория такая, делал се пепельницу выезжающую, на мозг пришла идея прикрутить механизм от сидюка, типо нажимаеш кнопачку пепелка выезжает, нажимаеш ещё раз, заежжает. Вся проблемма в том что пепельница искала диски:big: и проект с пепелкой был заброшен. ща ищу схему что бы можно было сменять полярность на моторчике. Есть у кого? Тут читал что можно такую спаять из двух релюшек и двух микриков, второй день хожу и не могу додумаца как так:blush:

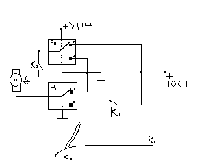
джи-дай 05.02.2008 09:21

http://i026.radikal.ru/0802/f8/33d248654852.jpg
При желании можно цепи питания реле и выходные разделить. Напр. +5 и +12

MiD_E34 05.02.2008 11:41

http://www.ironfelix.ru/modules.php?...egories&cid=25

мостовые схемы смотри

MiD_E34 05.02.2008 11:42

кстати - у меня пепелка штатно выезжает сама, как и подстаканники :pleasantry:

Самоделкин 05.02.2008 13:25

для таких случаев есть хороший драйвер L293D

MiD_E34 05.02.2008 14:23

+1. Только они горят хорошо... в смысле - перегорают если ток пойдет больше. Например моторчик заест и к микрухе придет в гости маленький пушистый зверек

Самоделкин 05.02.2008 14:35

а если сделать на релюшках то сгорит моторчик, судя по даташиту на Л293 там есть защита от перегрева

джи-дай 05.02.2008 16:17

Выше приведённая схема стоит 3 копейки, а надёшность и помехоустойчивость на два порядка выше. Не спорю, можно всё предложить, но ведь чел просил на двух реле и микриках......

archer 05.02.2008 16:48

Все-таки первая схема - это пока жмешь - едет. А для пепелки надо нажал - выехало - нажал - уехало. Т.Е. внешняя кнопка одна, а еще 2 микрика работают как концевики.

Тока че-то я в 2 реле не укладываюсь......

P.S. А насчет перегрева в случае с релюшками можно предохранители самовосстанавливающиеся поставить, которые будут размыкать цепь пускателя, правда тогда до концевика ручками доводить придется - т.е. привод не должен быть червячным.

mcf1 05.02.2008 16:58

Цитата:

Сообщение от archer (Сообщение 50308)
Все-таки первая схема - это пока жмешь - едет. А для пепелки надо нажал - выехало - нажал - уехало. Т.Е. внешняя кнопка одна, а еще 2 микрика работают как концевики.

Тока че-то я в 2 реле не укладываюсь......

нужно реле не замыкающее, а перекидывающее

alexzlo 05.02.2008 20:56

ААА.. зпутали в конец:blink2:
Мож кто спаяет за $ кто в Москве?

archer 06.02.2008 00:13

Да погоди..... ща придумаем что-нить.... просто меня в сервисе расстроили - не могу я сегодня ниче творить....
Тут как раз похожая задача на монике от мазды рх-8... :)

MiD_E34 06.02.2008 12:13

2Самоделкин: защита есть у нее, но не такая уж и хорошая. Я делал роботы-машинки на базе такого драйвера - горят очень быстро пока защиту по току не сделал на микроконтролере.

MiD_E34 15.02.2008 12:30

наверное вот самая простая:
http://www.radiokot.ru/circuit/digital/automat/01/
не люблю релюхи...

SeRiLLo 12.03.2008 00:27

Я ж на свой привод такую схему и делал - 2 концевика и 2 релюшки.... http://www.pccar.ru/showpost.php?p=12971&postcount=23

Don_ik_kot 12.03.2008 09:54

http://www.pccar.ru/attachment.php?a...1&d=1165245326

http://www.pccar.ru/showpost.php?p=12971&postcount=23

alexzlo 13.03.2008 20:56

во во, то что надо

(vS) 16.03.2008 07:43

http://www.ee.washington.edu/circuit_archive/


Часовой пояс GMT +4, время: 18:54.

Работает на vBulletin® версия 3.8.4.
Copyright ©2000 - 2025, Jelsoft Enterprises Ltd.
Перевод: zCarot