PCCar.ru - Ваш автомобильный компьютер

PCCar.ru - Ваш автомобильный компьютер (https://pccar.ru/index.php)
-   Рабочий журнал (https://pccar.ru/forumdisplay.php?f=25)
-   -   FORD Focus II Again (https://pccar.ru/showthread.php?t=3212)

PoLAN 16.09.2007 18:44

FORD Focus II Again
 
Долгое время наблюдал за этим форумом, и вот после доставки монитора, бп и фм-тюнера решился создать тему.

Задача: создать PCCAR с минимальными изменениями интерьера авто и вторжениями в электропроводку.

Что уже есть в наличии:

1. авто ФФ2 хб 5дв .
2. Корпус компа 27х23х7 см: сделан из 2 боковин алюминиевого АТХ корпуса
http://photofile.ru/users/polan79/3086246/64736772/

боковина + чертеж крышки
http://photofile.ru/users/polan79/3086246/64736770/

3. монитор CTF 800+ рамка куда будет встраиваться

http://photofile.ru/users/polan79/3086246/64736777/

(Моник оказался с битым пикселем и без диска с ПО :angry: )

4. БП Opus http://www.*****************/ru/produc...oduct=GC991106

5. Мамка - MSI K9AGM2-L, S AM2, проц- AMD 3600EE, 1GB оперативки Corsair, винт- Seagate 120GB 2,5" (мамка не очень понравилась, тк в биосе нет управления напряжением и частотой проца. Хотел уменьшить эти параметры для меньшего тепловыделения)

6. слимовый привод пионер + внешний бокс
http://photofile.ru/users/polan79/3086246/64736782/

7. GPS - GlobalSat BU-353
http://www.nix.ru/autocatalog/GPSRec...ver_47299.html

8. USB HUB 7 портов
9. Wi-fi
http://www.nix.ru/autocatalog/wirele...11g_30550.html

10. адаптер-переходник магнитолы
http://photofile.ru/users/polan79/3086246/64736783/

11. усилители Soundstream 4.400 + ArtSound 500

12. Летом был сделан стелз-саб из стеклоткани и эпоксидки на динамике LightningAudio S4.10.VC2
http://www.techhome.ru/catalog/auto/8C9002A9_9.htm

http://photofile.ru/users/polan79/3086246/64736775/

13. USB radio Silabs

Критика и предложения приветствуются, тк я в этой теме совсем новичок

PoLAN 16.09.2007 18:57

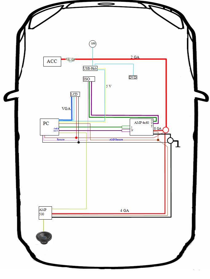
Вложений: 1
эл схема

aptm 16.09.2007 19:08

Фотофайловские картинки не кажет. Ссылку надо без full_image/.

sly76 18.09.2007 08:20

В нашем полку прибыло!!
Зачет
Саб сам делал? долго возился?
Комп у тя под сиденьем будет?

Sanyk 18.09.2007 09:49

Цитата:

Сообщение от PoLAN (Сообщение 34367)
Задача: создать PCCAR с минимальными изменениями интерьера авто и вторжениями в электропроводку.

Я поначалу тоже стремился к минимальному второжению в приборку и прочие узлы. Но теперь начинаю вкорячивать монитор 8,4.
Уже можно создавать сообщество фокусоводов на нашем форуме :big:
Удачи тебе!

PoLAN 19.09.2007 00:28

Sanyk
Привет. Спасибо

sly76
Делал сам. Всю инфу искал в инете.
По времени нас саб точно не скажу. Что-то около 2 недель по 1-3 часа в день. Ну если конкретно заниматься, то за 3 дня можно сделать.

Да комп и 4к усил под сиденьем

Feint 28.09.2007 14:03

Цитата:

Сообщение от PoLAN (Сообщение 34367)
3. монитор CTF 800+ рамка куда будет встраиваться

С интересом слежу за твоим проектом, ибо у меня Фиеста Мк.6 (2006), размер рамки такой же, и я тоже решил встраивать CTF800. Мне особенно интересен процесс изготовления посадочной рамки под монитор. Вобщем, успеха тебе!!!

PoLAN 01.10.2007 00:57

Вложений: 12
После 2 недельного неспешного ковыряния продолжу описание:
после тестирования дома встроенного звука :( , была приобретена внешняя звуковуха http://www.nix.ru/autocatalog/creati...5.1_57155.html

Из-за того, что все провода от мона вделаны в одну "косу", переработана эл. схема (Изменения: питание 12В от разветвителей питания, юсб от компа)
http://www.pccar.ru/attachment.php?a...1&d=1191181708

Делаю (мучаю) рамку:

разбираем мон : http://www.pccar.ru/attachment.php?a...1&d=1191179687
прикладывем: http://www.pccar.ru/attachment.php?a...1&d=1191179900

как видно по высоте места совсем не остается http://www.pccar.ru/attachment.php?a...1&d=1191179900

вид с обратной стороны(с помощью холодной сварки вделаны 4 столбика с внутренней резьбой для прикручивания 2 алюминиевых планок (шлепки по центру -неудачная попытка вкрутить прямо в сварку) ):
http://www.pccar.ru/attachment.php?a...1&d=1191180175


после грунтовки и окраски:
http://www.pccar.ru/attachment.php?a...1&d=1191180175

хорошо видны "косяки производства".

Решено не переделывать, а примерить пока так:
http://www.pccar.ru/attachment.php?a...1&d=1191180641

Для меня дисплей получился слишком наклонно. Решено рамку не переделывать, а купить лицевую панель и встраивать в нее, но уже более вертикально.

Поключаем 4 кан. усилок:http://www.pccar.ru/attachment.php?a...1&d=1191180641
Комп+звуковуха:http://www.pccar.ru/attachment.php?a...1&d=1191180641

Приделан моноблок: http://www.pccar.ru/attachment.php?a...1&d=1191180996
позже закроется облицовочной панелькой

Результат: http://www.pccar.ru/attachment.php?a...1&d=1191180996

http://www.pccar.ru/attachment.php?a...1&d=1191180996

Ввиду непонятного поведения юсб-хаба полноценно не установлен жпс и двдюк.
Пока самая большая проблема : в тишине несильно слышны наводки (треск) от чего? пока непонятно. Как бороться? ставить фильтр шумов? http://www.techhome.ru/catalog/auto/F9000C86_9.htm

пока все! :pleasantry:

terracan 01.10.2007 02:34

Заземли корпус компа жырным, коротким проводом проводом.
Меня от наводок-шумов почти спасло.
Нет, они конечно есть но слышны на максимальной громкости, да и то не напряжно.

ruslan188 12.12.2007 17:24

от шумов наверно никак неизбавиться.... я всё перепробывал... выход нашёл только один ..купив цифровой усилитель... challenger pab-600d и пустив звук по оптике.... звук стал... кристально чистым

а вот как я установил моникhttp://css.ffclub.ru/forum/uploads/p...1173199691.jpg

golja 12.12.2007 17:46

а вот как я установил моник



И как??

PoLAN 12.12.2007 22:36

Ruslan188
я просматривал твою тему на ФФКлабе http://www.ffclub.ru/forum/
index.php?showtopic=18463


неплохо сделано, как получилась фактура рамки?
тока имхо 7 дюймов маловато.

Кстати, так и не получилось подружить ЮСБ-хаб и ДВД-ром, пришлось прокладывать отдельный провод на него.

ruslan188 13.12.2007 14:24

Цитата:

Сообщение от PoLAN (Сообщение 43567)
Ruslan188
я просматривал твою тему на ФФКлабе http://www.ffclub.ru/forum/
index.php?showtopic=18463


неплохо сделано, как получилась фактура рамки?
тока имхо 7 дюймов маловато.

Кстати, так и не получилось подружить ЮСБ-хаб и ДВД-ром, пришлось прокладывать отдельный провод на него.

я двд не стал ставить...т.к внешний нард на 120 гиг всегда с собой..... фильмы сначала на него а потом в комп тама 200 гигов..

рамку сделали за 900 рэ с установкой.... основа фанера и сверху аинилом натянули....

PoLAN 04.05.2008 20:46

что-то я забросил описание проекта, хотя по-тихоньку улучшаю авто:
за зиму была переделана рамка мона, и уже весной фальш-панель усилителя на саб + новый пол в багажнике:
http://photofile.ru/users/polan79/3086246/97626401/

в планах на это лето:
1. аудио подготовка 4 дверей
2. новые динамики во все двери
3. камера заднего вида

а там будет видно что да как.

ЗЫ: что-то вложения сайт не дает сделать

Димон 04.05.2008 21:06

http://photofile.ru/photo/polan79/30...e/97626476.jpg

2PoLAN - твоё? Класс!

PoLAN 04.05.2008 21:23

да
спасибо:blush:

fduch 23.05.2008 14:14

PoLan
подскажи есть ли альтернатива данному монитору!?
Главная проблема в размерах окошка фокуса!

Никак не могу найти в москве именно CTF800 уж очень чётко он ставиться в данный Din2
Или есть адресочки где можно купить его?

PoLAN 23.05.2008 19:21

без распилки панели магнитолы
широкая 8-ка идеальна

КМК альтернативы нет

заказывал в дигитал-авто (получилось долго :( )

можно у львовича (кармонитор.ру) спросить

fduch 23.05.2008 21:26

А лилипут широкоформатник не подойдёт? LILLIPUT 889GL-NP/C/T

На каких динамиках остановился? Сейчас штатка стоит?
Как видеокамера будет подключаться к монитору, через комп или напрямую?

PoLAN 24.05.2008 19:36

думаю что подойдет

хотя лучше проверить : замерить установочное место

размеры матрицы на сайте должны быть

golja 25.05.2008 21:57

Цитата:

Сообщение от fduch (Сообщение 63023)
А лилипут широкоформатник не подойдёт? LILLIPUT 889GL-NP/C/T

Сто процентов подойдет.

fduch 27.05.2008 12:15

http://photofile.ru/photo/polan79/30...e/97626476.jpg
Как сделать такую текстуру и можно поподробнее процесс изготовления рамки...?

PoLAN 27.05.2008 20:40

Вложений: 1
предупреждение:
текстура рамки не похожа на текстуру торпеды: торпеда- пупырышки, рамка - морщинки!!!

Данная текстура была сделана для скрытия дефектов после шпаклевания и шкурения. Эх, если б были руки попрямей.....

материалы:
1. Панель магнитола-климат фф2 -1 шт
2. Папка канцелярская для бумаг из твердого пластика (черная)-1шт
3. Холодная сварка для пластика 2-компонентная (в маленьких цилидрах) -2 шт (лучше использовать пластилин мистери )
4.алюминиевая планка ширина 3 см толщина 2 мм + 2 винта с гайками м3
5. шпатлевка разная
6. Грунт для пластика - остатки в балончике
7. Антикоррозийная мастика - остатки в балончике
8. Краска черная для пластика - остатки в балончике

Берем пункт 1 и шкуркой сдираем заводскую краску. (Можно виброшлиф машинкой :) )

Еще надо отрезать в нижней части часть пластмассы для свободного извлечения или вставки матрицы

см рис ниже

Далее из пункта 2 вырезаем рамочку для дисплея.
Внешний размер = размеру отв. под магнитолу в п.1.
Внутренний= размеру видимой (рабочей ) части дисплея.

Берем матрицу, обматываем пищевой пленкой, вкладываем в п.1, сверху кладем рамочку из п.2.
Прикрепляем её клеем (любым) в нескольких точках к п.1.

ВНИМАНИЕ. В верхней части надо подложить между рамочкой и матрицей что-нибудь толщиной около 1 мм. Иначе не будет потом люфта => матрицу невозможно вытащить ничего не сломав.

см рис ниже

Клей высох.
Облепливаем пластилином наружнюю часть, создаем скосы и тп.
Далее изнанку: там пластилин нужен только по бокам (тк снизу и сверху места нет: см фото на 1стр.) Вставляем винты в пластилин на одном уровне где-нибудь в нижней части для крепежа матрицы.

Пока пластилин сохнет делаем крепех из алюм. пластины отпиливаем планку (длину не помню), сверлим отверстия под винты.

Пластилин высох, вынимаем матрицу, берем в руки напильник, шкурку и тп. Выводим рамку.
Углы делал круглым напильником.

Доводим пунктом 5. Далее п.6 согласно инструкции.
Далее просто наносим слой п.7, по второму слою шлепаем крупноячеистой губкой, создавая фактуру.

После ПОЛНОГО высыхания, наносим пункт 8. (опасался что мастика "поплывет", поэтому красил напылением а не струёй)

Прижимаем матрицу гайками и ал. планкой. (получится верх матрицы вставляется в паз а ниж прижат)

Вот вроде и все.
Знаю метод не лучший, просто использовалось что было под рукой.

ГЛАВНОЕ: сначала подумать, примерить, потом делать. (А то я поломал стекло тача в процессе).

fduch 28.05.2008 11:11

Спасибо за подробный ответ

Монитор уже купил, машины ещё нет:big: вот дождусь фокуса и пойду себе крутить...

golja 28.05.2008 13:08

Цитата:

Сообщение от fduch (Сообщение 63428)
Спасибо за подробный ответ

Монитор уже купил, машины ещё нет:big: вот дождусь фокуса и пойду себе крутить...

А кто тебе мешает купить фокусовскую рамку и встроить в него моник. Я именно так сделал на своей и супругиной машине.. Пришла машина и я в нее все воткнул. Рамку дорейсталинговую ищи на фордовских форумах в купле продаже... их там многа, цена - от 15 бутылок пива до 2000 руб.

fduch 29.05.2008 11:20

Цитата:

Сообщение от golja (Сообщение 63452)
А кто тебе мешает купить фокусовскую рамку и встроить в него моник. Я именно так сделал на своей и супругиной машине.. Пришла машина и я в нее все воткнул. Рамку дорейсталинговую ищи на фордовских форумах в купле продаже... их там многа, цена - от 15 бутылок пива до 2000 руб.

Хочу одноцветную, монолитную рамку, а не аппликацию на торпеде

Lion008 20.05.2009 13:44

у меня идея на мафон и 0,5дин моник выдвижной.
жду рамку


Часовой пояс GMT +4, время: 22:58.

Работает на vBulletin® версия 3.8.4.
Copyright ©2000 - 2026, Jelsoft Enterprises Ltd.
Перевод: zCarot