PCCar.ru - Ваш автомобильный компьютер

PCCar.ru - Ваш автомобильный компьютер (https://pccar.ru/index.php)
-   Разработка устройств (https://pccar.ru/forumdisplay.php?f=18)
-   -   Хитрое реле включения. Нужна помоЩь! (https://pccar.ru/showthread.php?t=1715)

Wanted 06.02.2007 19:10

Хитрое реле включения. Нужна помоЩь!
 
Товарищи подсобите, Нужно забахать такую вещь:

Нужно включать монитор замыканием контактов на его кнопке включения, при включении компа:

Как я это вижу:
Надо чтобы реле замыкало контакты на 0.5 -1 секунду и потом "расслаблялось" и отдыхало до отключения питания.
При новом включении - все по новой.
Сделал схему - реле - Кондер + резистор в параллели, реле срабатывает, а монитор падла не хочет так включатся, ему видите ли надо чтобы после подачи питания еще хоть пару секунд прошло иначе ни в какую.

В итоге вопрос, уважаемым знатокам:
Как сделать чтобы после подачи питания (+12V) на монитор от 12V От компа, !!!через пару секунд!!! реле замкнуло контакт (кнопку) на 1 секунду , после чего разомкнулось и до отключения сидело в тишине???????

Beer100 06.02.2007 19:30

Набросал бы свою схемку, а я бы тебе подрисовал RC цепочку на входе....

Wanted 06.02.2007 20:06

Вложений: 1
Цитата:

Сообщение от Beer100 (Сообщение 17539)
Набросал бы свою схемку, а я бы тебе подрисовал RC цепочку на входе....


Будь так любезен иеще если не сложно посмотри, правильна ли схема вообще по сути:
Реле: РЭС47 - 160 Ом обмотка, напряжение срабатывания - 10.8В, номинал - 12В, мин ток срабатывания - 4 мА.
Кондер - три по 1000мФ электролиты.
Две точки - выходы на кнопку.

Под RC цепочку место тебе оставил ;)

Гран мерси!

Beer100 07.02.2007 14:58

Вложений: 1
Две микросхемки найдешь?
А то на реле как-то получается грубо и не по европейски! :big:

Вот схемку набросал тебе:

Wanted 07.02.2007 15:14

Цитата:

Сообщение от Beer100 (Сообщение 17609)
Две микросхемки найдешь?
А то на реле как-то получается грубо и не по европейски! :big:

Вот схемку набросал тебе:

Beer100 ты мозг. Спасибо. А в трех словах как схема работает можешь рассказать, чтобы мне себе голову не ломать?
Как я понял 9 и 8 - независимые выводы земли? или как?

mcf1 07.02.2007 16:01

Цитата:

Сообщение от Beer100 (Сообщение 17609)
Две микросхемки найдешь?
А то на реле как-то получается грубо и не по европейски! :big:
Вот схемку набросал тебе:

чет я тоже не понял что произойдет на этих выводах через 2-4секунды.

Beer100 07.02.2007 18:12

тут есть несколько моментов:
1. найти в монике источник питания 5В, от которого запитать эту схемку.
2. разобраться в уровне сигнала, от которого происходит включение монитора. Нодо посмотреть, на что коммутируется кнопка питания на землю или на плюс. Если на землю, то в моей схемке надо один инвертор.

Как работает:
при подаче питания на ноге 9 появится импульс включения через 2 сек, а на ноге 8 - через 4 сек.
Выбирай, как тебе удобнее.

НО! Схема на практике не проверялась. Если бы
кто нибудь подкинул схему моника....

mcf1 07.02.2007 18:36

Цитата:

Сообщение от Beer100 (Сообщение 17620)
Если на землю, то в моей схемке надо один инвертор.

не надо инвертор. лучше использовать оптопару, ИМХО

Beer100 07.02.2007 18:44

Согласен. Лучше!

Wanted 08.02.2007 03:53

Цитата:

Сообщение от Beer100 (Сообщение 17628)
Согласен. Лучше!

Спасибо Beer, правда 155 под рукой сейчас нет, зато куча 176ых ;)
Еще вопрос, а схема отработает и "заснет" или будет молотить каждые 2-4 секунды?

Еще раз огромный сеньюверимач!

Beer100 08.02.2007 12:59

Конечно "заснет"!

mcf1 08.02.2007 15:34

Вложений: 1
Цитата:

Сообщение от Beer100 (Сообщение 17674)
Конечно "заснет"!

а может ты и еще одну схемку накидаешь?
надо по включению задней два импульса на замыкание кнопки, и по выключению задней еще два таких же импульса.
вот так наверно

Hamster 08.02.2007 17:06

Цитата:

Сообщение от mcf1 (Сообщение 17680)
а может ты и еще одну схемку накидаешь?
надо по включению задней два импульса на замыкание кнопки, и по выключению задней еще два таких же импульса.
вот так наверно

Ой, я даже знаю для чего :)
Мне тож интерестно!

aptm 08.02.2007 17:24

Цитата:

Сообщение от Hamster (Сообщение 17687)
Ой, я даже знаю для чего :)
Мне тож интерестно!

+1
Присоединяюсь...

Beer100 08.02.2007 17:38

А для чего??? Мне тоже интересно!

Ща выложу схемку...

mcf1 08.02.2007 17:54

Вложений: 1
вот так надо было графики нарисовать

Don_ik_kot 08.02.2007 18:10

Это для переключения монитора на камеру заднего вида - для тех монов которые сами этого не делают.

Я тож присоединяюсь к просьбе!:bye:

Beer100 08.02.2007 19:22

Вложений: 1
А, точно! Мусолили эту темку. Но помоему там надо было не одинаковое количество импульсов.

Вот схема: (добавил всего одну микруху к прошлой схеме :smile1: )

Beer100 08.02.2007 19:36

... только надо будет с длительностью импульсов поиграться, хотя я думаю получить именно 0,5 сек не принципиально. При положении движка подстроичника максимально вправа (по схеме) расчетное время длительности импульсов 0,495 сек. Поэтому можно поставить подстроичник на 3 кОм, что бы можно было увелисить до 1 сек.

И извините за такое кочество схем!!! Рисовал на коленке.

mcf1 08.02.2007 19:45

в наших но NONAME такая последовательность переключения VGA->AV1->AV2->TV (TV не задействован но он там присутствует)
так что камеру цеплям на AV2 и получаем по два нажатия между переключениями
а паузу между импульсами можно регулировать чем нибудь?

Beer100 ОГРОМНЕЕШЕЕ СПАСИБО.

поехал в чипдип за микрухами

Beer100 08.02.2007 20:14

Паузу можно регулировать емкостью, но тогда надо и подстроечник изменить, что бы длина импульсов сохранилась.

Т имп = 2RC.

В нашем случае:
0,495 сек = 2 х 1500 Ом х 0,00033 Ф

mcf1 09.02.2007 00:23

Цитата:

Сообщение от Beer100 (Сообщение 17705)
Паузу можно регулировать емкостью, но тогда надо и подстроечник изменить, что бы длина импульсов сохранилась.

Т имп = 2RC.

В нашем случае:
0,495 сек = 2 х 1500 Ом х 0,00033 Ф

емкость имеется ввиду та которая на схеме обозначена как 20мкФ?
в какую сторону менять, хочу взять подстроечную емкость что бы все это отладить, а потом можно и народу выложить с готовыми номиналами

archer 09.02.2007 00:47

Ага! Народу бы еще платку нарисовать. И желательно с односторонним монтажом :)

Наглый у нас народ :)

З.Ы. Спасибо!

Beer100 09.02.2007 01:21

Емкость та, которая 330 мкф. Но таких кондюков переменных небывает! Надо брать горсть и пробывать (а лучше посчитать по формуле).

На счет платки: в качестве эксперемента можно на монтажке спаять. Там пайки то на 15 мин.

mcf1 11.02.2007 13:56

спаял, но не за 15 мин, а примрно за час,......не работает
конденсатор 20мк не разряжаается (собственно ему и некуда) и на входе К561ЛП2 постоянно весит 5В
третий каскад К155ЛА3 постоянно генерирует

что то в схеме не правильно.

где взять инфу как работают логические элементы?

Beer100 11.02.2007 16:44

Тихо, тихо! Сейчас разберемся!
На выхоте ЛП2 пр включении"задней" должен проскачить имульс длительностью 0,02 сек. Ты его вольтметром не увидешь.

На 11 ноге ЛА3 есть нужные импульсы?

Beer100 11.02.2007 17:11

Или давай попорядку:
Вернись к моей схеме в 4-м посту и заставь заработать генератор и счетчик постоянно, соеденв на ноль 2 и 3 ноги ИЕ5.

Заработало?

mcf1 12.02.2007 01:20

Цитата:

Сообщение от Beer100 (Сообщение 17823)
Тихо, тихо! Сейчас разберемся!
На выхоте ЛП2 пр включении"задней" должен проскачить имульс длительностью 0,02 сек. Ты его вольтметром не увидешь.

На 11 ноге ЛА3 есть нужные импульсы?

на к561лп2 не нашел ни какой документации, и тоже запитал ее от пяти вольтовой кренки, или ее от бортовой сети питать и на вход на прямую с задней сигнал подавать?

Beer100 12.02.2007 13:23

Все микросхемы (и ЛП2) надо запитать от 5В.
На вход ЛП2 надо подавать тоже логическую единицу (+5В).
Сообразишь как это сдалать из 12В?

Логика лаботы ЛП2 такова:
входы: 0 0 выход: 0
входы: 1 1 выход: 0
входы: 1 0 выход: 1
входы: 0 1 выход: 1

_SDY_ 12.02.2007 13:43

Вложений: 1
По-моему, первый вариант всегда будет генерировать импульсы.
В первом варианте (генератор работает всегда):
1 импульс генератора => на ногах код 0010
2 импульс генератора => на ногах код 0100
3 импульс генератора => на ногах код 0110
4 импульс генератора => на ногах код 0000
итп.

Во втором варианте вроде бы все правильно, но, видимо генератор вообще не запускается или как там все должно работать? Я бы сделал что-то вроде http://gelezo.vir.ru/ttl_kmop/630000..._impulsov.html там на рис 322 есть схема ждущего мультивибратора. И прицепил бы еще триггер. Короче, моя схема такая:

mcf1 12.02.2007 14:33

при выключении задней на первой ноге DD1.1 ни чего не произойдет, там же емкость заряжена и разряжаться ей не куда. или привыключении задней мне первую ногу надо на землю коротить

Beer100 12.02.2007 16:07

Цитата:

Сообщение от _SDY_ (Сообщение 17883)
По-моему, первый вариант всегда будет генерировать импульсы.
В первом варианте (генератор работает всегда):
1 импульс генератора => на ногах код 0010
2 импульс генератора => на ногах код 0100
3 импульс генератора => на ногах код 0110
4 импульс генератора => на ногах код 0000
итп.

Во втором варианте вроде бы все правильно, но, видимо генератор вообще не запускается или как там все должно работать? Я бы сделал что-то вроде http://gelezo.vir.ru/ttl_kmop/630000..._impulsov.html там на рис 322 есть схема ждущего мультивибратора. И прицепил бы еще триггер. Короче, моя схема такая:

Да, в первом варианте импульсы на генераторе будут всегда, но на выходе счетчика будет то, что и требовалось в той задаче. А генератор пусть щелкает туда-сюда. Кому он жить мешает?

Во втором варианте ты добавил триггер, но почему-то не заметил, что этот триггер у меня уже стоит, только я его взял в счетчике ИЕ5, он там незадействован. Зачем добавлять новую микруху? :dntknw:

Beer100 12.02.2007 16:30

Цитата:

Сообщение от mcf1 (Сообщение 17884)
при выключении задней на первой ноге DD1.1 ни чего не произойдет, там же емкость заряжена и разряжаться ей не куда. или привыключении задней мне первую ногу надо на землю коротить

При включении и ваключении задней на выхоле ЛП5 будет проходить один импульс, которой перекидавает триггер, находящийся в ИЕ5. Генератор импульсов запускается в том случае, когда на первой ноге
DD1.1 проявляется "0". А он там как раз и появится с выхода триггера (12-ая нога ИЕ5). Далее, после проходжения 2-х импульсов с генератора, на 8-ой ноге появляется "1", которая сбрасыват счетчик и триггер к начальное положение и генератор останавливается.

Beer100 12.02.2007 17:17

Вложений: 2
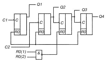
Вот исходники для ясности:

Это структура счетчика ИЕ5. В нем первый триггер не использается, его я и задействовал:

http://www.pccar.ru/attachment.php?a...1&d=1171286071

Вот диаграмма работы ЛП5:

http://www.pccar.ru/attachment.php?a...1&d=1171286071


Кстати, схема от _SDY_ тоже вполне рабочая.

mcf1 12.02.2007 18:24

в схеме три косяка по которым она пока что не работает как должна
1. при снимании единицы с первой ноги ЛП2 ни чего не происходит т.к. фактически еденица осталась от кондера через резистор 1к.
2. при полностью собранной схеме на восьмой ноге весит "ноль", счетчик молчит,сброса не происходит. Если от восьмой ноги откинуть вторую и третью, то на восьмой считает как надо, через каждые два импульса перекидывается с нуля на еденицу и обратно.
3. к К155ла3 претензий нет, генератор работает четко, если на первой ноге ноль, то генерит не остановишь, только в этом то и проблема, при подаче питания сразу начинает генерить (сцуко)

Beer100 12.02.2007 19:28

Цитата:

Сообщение от mcf1 (Сообщение 17906)
в схеме три косяка по которым она пока что не работает как должна

Давай все косяки устраним!

1. при снимании единицы с первой ноги ЛП2 ни чего не происходит т.к. фактически еденица осталась от кондера через резистор 1к.

Как ты определил, что на выходе ЛП2 ничего не происходит??? Там проскакивает импульс длительностью 0,02 сек. Ты осциллографом смотрел?

_______________________________

Beer100 13.02.2007 01:01

Вложений: 1
Ой, ты только не ругайся! :tease:
Сделай вот так:
(там надо перенести только элемент DD1.4 в другое место)

mcf1 13.02.2007 01:17

Вложений: 1
решил первый вопрос вот таким способом
проверено, работает четко, теперь на выходе и при подаче и при снятии напряжения проскакивает ипульс

Beer100 13.02.2007 01:24

Цитата:

Сообщение от mcf1 (Сообщение 17932)
решил первый вопрос вот таким способом
проверено, работает четко, теперь на выходе и при подаче и при снятии напряжения проскакивает ипульс

О! И самое главное без привлечения доп. элементной базы. :smile1:

А схемку переделал как я нарисовал?

mcf1 13.02.2007 01:24

только меня еще вот что волнует
при подаче еденицы на вторую и третью ногу ИЕ5, должна вылезти еденица на двенадцатой ноге, но она не вылазит :dntknw:


Часовой пояс GMT +4, время: 23:36.

Работает на vBulletin® версия 3.8.4.
Copyright ©2000 - 2026, Jelsoft Enterprises Ltd.
Перевод: zCarot