PCCar.ru - Ваш автомобильный компьютер

PCCar.ru - Ваш автомобильный компьютер (https://pccar.ru/index.php)
-   Питание (https://pccar.ru/forumdisplay.php?f=173)
-   -   Блок питания для Андроид планшета (https://pccar.ru/showthread.php?t=18921)

mr_nixon 26.10.2015 12:15

Цитата:

Сообщение от YAM1966 (Сообщение 341501)
А что там подключать-то, сам датчик выпаять, на его место SMD резистор 1К с выхода на массу и подавая 3.3В планшет просыпается. Ну или добавить еще последовательно 3.3K и подавая 12В через него планшет просыпается.

Хочу будить его через команду с ардуино

YAM1966 26.10.2015 12:17

Цитата:

Сообщение от mr_nixon (Сообщение 341505)
Хочу будить его через команду с ардуино

Тогда через 510 Ом и к ноге ардуино. При 5В на ней на датчике будет как раз 3.3В

mr_nixon 26.10.2015 13:25

Вложений: 1
Цитата:

Сообщение от YAM1966 (Сообщение 341506)
Тогда через 510 Ом и к ноге ардуино. При 5В на ней на датчике будет как раз 3.3В

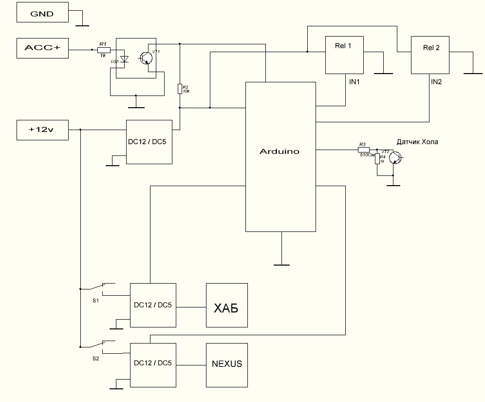
Вариант живучести схемы.
3 ДС/ДС
Первый питает непросредственно ардуино- она включена всегда
и пока есть питание на Ардуино есть питание и REL2, которое подаёт питание на НЕКСУС ( сделано для того чтобы например через сутки ардуино переставала оживлять REL2, ну и нексус уходил в глубокий сон.
Оживление АСС, ну и датчик хола, по которому пока вопрос.

Вложение 41419

YAM1966 26.10.2015 13:37

Цитата:

Сообщение от mr_nixon (Сообщение 341514)
Вариант живучести схемы.
3 ДС/ДС.......

Вопросы:
  • оптрон на АСС ИМХО лишнее
  • не вижу цепей для измерения напряжения батареи
  • питать все время ардуино - перебор, включение по АСС, самоблокировка, выключение программное.
  • не понял про Rel 1 и Rel 2 - питаются от 5В?
  • DC12/DC5 что за преобразователи? Имеют вход управления?

mr_nixon 26.10.2015 13:45

Вложений: 1
Цитата:

Сообщение от YAM1966 (Сообщение 341515)
Вопросы:
  • оптрон на АСС ИМХО лишнее
  • не вижу цепей для измерения напряжения батареи
  • питать все время ардуино - перебор, включение по АСС, самоблокировка, выключение программное.
  • не понял про Rel 1 и Rel 2 - питаются от 5В?
  • DC12/DC5 что за преобразователи? Имеют вход управления?

1 мне показалось так оптимальнее
2 у меня в машине 2 акб, не думаю что принципиально, но обращу питание.
3 тоесть , полностью отрубать всё- так правильнее ?
4 Да 5 вольтВложение 41420
5 кисы
это предварительно, поэтому готов к критике, в машину 1 раз делаю

YAM1966 26.10.2015 14:00

Цитата:

Сообщение от mr_nixon (Сообщение 341516)
1 мне показалось так оптимальнее
2 у меня в машине 2 акб, не думаю что принципиально, но обращу питание.
3 тоесть , полностью отрубать всё- так правильнее ?
4 Да 5 вольтВложение 41420
5 кисы
это предварительно, поэтому готов к критике, в машину 1 раз делаю

1. резистивный делитель дешевле, а результат тот-же.
3. ИМХО при отсутствии АСС правильнее нулевой ток потребления.
5. если это KIS-3R33S, у них есть вход управления, я выше писал и схему выкладывал как управлять и не надо будет реле ставить...

mr_nixon 26.10.2015 14:08

Цитата:

Сообщение от YAM1966 (Сообщение 341518)
1.
3. ИМХО при отсутствии АСС правильнее нулевой ток потребления.

а посоветуйте , как вы решаете полное отключение.

YAM1966 26.10.2015 14:19

Цитата:

Сообщение от mr_nixon (Сообщение 341519)
а посоветуйте , как вы решаете полное отключение.

Смотрим тут.

laytya 26.10.2015 14:47

Полное отключение считаю не оптимальным. Особенно при остановках минут на 5. Планшет будет грузится каждый раз при выкл/вкл АСС.

Оптимально - на питание ардуинки или тиньки поставить регулятор с током утечки в простое в несколько мкА, и программно уводить ардуинку или тиньку в Power-down слип. В этом режиме потребление порядка 1мк у кристала. на ардуине регулятор напруги не использовать.

Итого БП в повер-дауне будет жрать не более 10мкА, ваш аккум этого не почувствует.

YAM1966 26.10.2015 14:52

Цитата:

Сообщение от laytya (Сообщение 341522)
Полное отключение считаю не оптимальным. Особенно при остановках минут на 5. Планшет будет грузится каждый раз при выкл/вкл АСС.

Оптимально - на питание ардуинки или тиньки поставить регулятор с током утечки в простое в несколько мкА, и программно уводить ардуинку или тиньку в Power-down слип. В этом режиме потребление порядка 1мк у кристала. на ардуине регулятор напруги не использовать.

Итого БП в повер-дауне будет жрать не более 10мкА, ваш аккум этого не почувствует.

Вы наверно не все прочитали:
Цитата:

питать все время ардуино - перебор, включение по АСС, самоблокировка, выключение программное.
Если выключение программное - то можно полностью выключится после отработки любых времянок по отсутствию АСС.


Часовой пояс GMT +4, время: 03:43.

Работает на vBulletin® версия 3.8.4.
Copyright ©2000 - 2025, Jelsoft Enterprises Ltd.
Перевод: zCarot