PCCar.ru - Ваш автомобильный компьютер

PCCar.ru - Ваш автомобильный компьютер (https://pccar.ru/index.php)
-   Планшеты (https://pccar.ru/forumdisplay.php?f=182)
-   -   Nexus 7 2012 как головное устройство в автомобиле (https://pccar.ru/showthread.php?t=18305)

oleg707 01.02.2017 18:32

Вложений: 2
Цитата:

Сообщение от Denkos (Сообщение 381190)
Скажу более: до 6.2v

не всё.
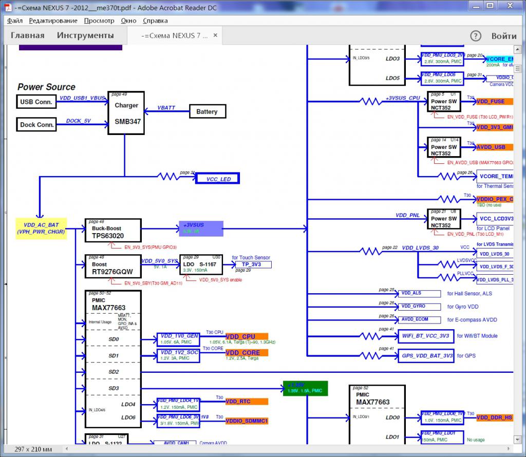
Вот смотрю даташит, 2 страница - питание.
Вложение 46602
Что я вижу - питание с батареи через SMB347 раздаётся куче всего.
ОК, по порядку, забиваю Buck-Boost TPS63020.
И что я вижу?
Вложение 46603
5,5В макс. Что я смотрю не так? Разжуй пожалуйста.:blush:

hover3256 01.02.2017 20:25

Добрый вечер, заряжал планшет 4 часы через юсб - сама батарея выдает 4,14в. Нажатие минуту на вкл. ничего не дает. Никаких признаков жизни. Сейчас подам напрямую на контакты подключения батареи питание в 5в. Скажите только к каким проводам подключать - крайний красный и крайний черный?

oleg707 01.02.2017 20:47

Цитата:

Сообщение от hover3256 (Сообщение 381209)
Добрый вечер, заряжал планшет 4 часы через юсб - сама батарея выдает 4,14в. Нажатие минуту на вкл. ничего не дает. Никаких признаков жизни. Сейчас подам напрямую на контакты подключения батареи питание в 5в. Скажите только к каким проводам подключать - крайний красный и крайний черный?

если батарея, подключенная к материнке, выдаёт - то не надо подавать +5.

hover3256 01.02.2017 21:04

Добрый вечер Олег. Я сейчас вытащил разьем батареи и подал на батарею 4,5В. Хотя батарея сама выдает 4,14В. Что делать дальше? Нажатие кнопок до 1,5 минут ничего не дает.

Denkos 01.02.2017 21:07

Цитата:

Сообщение от hover3256 (Сообщение 381211)
Что делать дальше? .

Молиться, надеяться на чудо.
Приступить к ремонту.

hover3256 01.02.2017 21:10

что конкретно ремонтировать? подскажите пожалуйста!

Denkos 01.02.2017 21:12

Цитата:

Сообщение от hover3256 (Сообщение 381213)
что конкретно ремонтировать? подскажите пожалуйста!

http://pccar.ru/showthread.php?t=25636

hover3256 01.02.2017 22:47

спасибо за ссылочку. жаль не понятно - решена ли проблема. я всетаки надеюсь на попытки реанимации без хирургии. если не выйдет - понесу в ремонт. Может есть еще идеи, что можно еще попробовать?

mazay66 02.02.2017 00:46

Цитата:

Сообщение от hover3256 (Сообщение 381213)
что конкретно ремонтировать? подскажите пожалуйста!

Начните все по-порядку.
1. Проверьте напряжение на выходе с контроллера батарей. Если напряжение присутствует и более 3,7v см п.2
2. Подключите батарею к планшету
3. Как вам советовали выше, держите кнопку включения ДОЛГО, ОЧЕНЬ ДОЛГО (1-2 минуты). Обычно включается. Если нет, повторите процедуру зажав Вкл и vol (-). Тоже держите долго.
4. Если вышеописанное не помогло, снимите плату и прогрейте её хорошенько феном, с температурой 250-300 градусов.
5. Если и после этого не включится несите в сервис или на з/ч.

blogsylar 02.02.2017 11:42

Цитата:

Сообщение от hover3256 (Сообщение 381221)
спасибо за ссылочку. жаль не понятно - решена ли проблема. я всетаки надеюсь на попытки реанимации без хирургии. если не выйдет - понесу в ремонт. Может есть еще идеи, что можно еще попробовать?

Проверь шлейф подключения дисплея, шлейф кнопок, попробуй замкнуть напрямую включение. было - купил новый экран для 13-го, собрал, а он собака не работает. Я нереально расстроился тогда. Потом внимательно посмотрел, а я шлейф-то криво воткнул. Хотя, через час после этого я его сжег, но не в том суть. Подключи к компу. Просто так нексусы не умирают.

P.S. Ты отрезал провода от батареи? Все 4 потом восстановил? Сдается мне, косяк именно где-то в звене батареи. Как вариант, найди новую. Если что, продашь потом, их расхватывают хорошо. Да и иметь запасную батарею хорошо, хоть дома поковыряться можно


Часовой пояс GMT +4, время: 23:11.

Работает на vBulletin® версия 3.8.4.
Copyright ©2000 - 2025, Jelsoft Enterprises Ltd.
Перевод: zCarot