PCCar.ru - Ваш автомобильный компьютер

PCCar.ru - Ваш автомобильный компьютер (https://pccar.ru/index.php)
-   Рабочий журнал (https://pccar.ru/forumdisplay.php?f=25)
-   -   Toyota Corolla [Android CarPC] (https://pccar.ru/showthread.php?t=18189)

plohish 30.10.2013 08:08

подскажите для чего нога Trim на NSD

lexxweber 30.10.2013 10:14

Спасибо ОГРОМНОЕ!!!!

Rage2 30.10.2013 18:15

plohish, обновил пост, перезалил схему и ответил на твой вопрос.

kristal0211 30.10.2013 18:53

Спасибо огромное за схему. Насколько она сильно меняется если её применить к Нексусу? Там ведь нет порта зарядки.

DmitrySmol 30.10.2013 20:24

А вот это я думаю скоро и узнаем.. в полку уксусоводов прибыло. :)

P.S. аж целых два (я тоже).

Rage2 30.10.2013 20:27

Цитата:

Сообщение от kristal0211 (Сообщение 275597)
Там ведь нет порта зарядки.

А на гнездо юсб вы напряжение не подаете? По сути это тоже гнездо.
Это напряжение появляется когда есть АСС. Тем самым на это(на появление\отсутствие "типа зарядки" ) реагирует планшет.
Вот а дальше уже рулится таскером.
Цитата:

Сообщение от kristal0211 (Сообщение 275597)
Насколько она сильно меняется если её применить к Нексусу?

Особо не меняется, только на сколько мне известно, на плату нужно подавать чуть меньше напряжение чем на юсб. Т.е должна быть разница.
Например на плату подаем 4.5в а на юсб 5в.

Для этого в схему нужно добавить диод,(между платой планшета и выходом БП +5в) чтобы он понизил напряжение.
Падение напряжения мерить нужно под нагрузкой.

whitefoot 31.10.2013 13:54

Вложений: 1
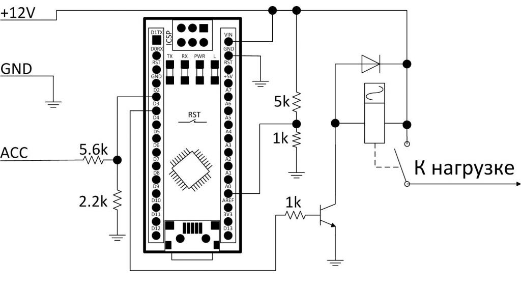
Перечитал всю тему, Rage2 респект - все качественно и красиво сделано, сам в раздумьях с переходом с полноценного компа на андройд в машине, главным образом из-за повышенного энергопотребления первым :mellow2:


Цитата:

Сообщение от Rage2 (Сообщение 275534)
Угощайтесь
Вложение 33365

Как мне кажется в данном случае разумней и "на вырост" будет использовать связку МК(например ардуино) + реле и программно зашивать в МК любые алгоритмы, будь то задержка включения по времени, проверка на падение напряжения и т.д. (в качестве примера тот же Remote от усилителей питать или обогрев планшета включать в студеную зимнюю пору :laugh2: )
Нарисовал схему, прикладываю:

Вложение 33386

whitefoot 31.10.2013 14:35

Вложений: 1
Ну или второй вариант использовать полевик

Вложение 33387

Rage2 31.10.2013 17:02

whitefoot, спасиб! =)
Использовать МК конечно круто, и я уже приступил к реализации нового БП.
Только вот с Ардуино будет слишком жирно для такой задачи.

qwerty27 10.11.2013 11:25

Rage2, Огромное спасибо за поддержку и развитие тем android pc, сам планирую себе в авто затолкнуть A70hd, и подчеркиваю из ваших тем сообщений много полезного

Цитата:

Сообщение от Rage2 (Сообщение 275664)
whitefoot, спасиб! =)
Использовать МК конечно круто, и я уже приступил к реализации нового БП.
Только вот с Ардуино будет слишком жирно для такой задачи.

Насчет Дуин, не все так плохо, и даже сказал бы намного лучше брать имеено дуины, особенно учитывая цены на них

Arduino mini
сам лично заказывал 2 лота (в каждом лоте - 2 штуки)
в итоге 4 бакса за 1 штуку
если брать лот из 5 штук то цена упадет до 3.31 за штуку

проверил все 4 - работаю как часы ( вот ток почемуто пришли не 5 вольтовые а 3.3 вольтовые), но в остальном все гууд =)))

P\S
так как на борту нет usb то нужен переходник usb-ttl
Брал с бика, работает гууд, вот ток у платы нет выхода на авторезет (т.е для прошивки над будет ручками нажать резет на плате дуины)


Часовой пояс GMT +4, время: 17:35.

Работает на vBulletin® версия 3.8.4.
Copyright ©2000 - 2025, Jelsoft Enterprises Ltd.
Перевод: zCarot