PCCar.ru - Ваш автомобильный компьютер

PCCar.ru - Ваш автомобильный компьютер (https://pccar.ru/index.php)
-   Питание (https://pccar.ru/forumdisplay.php?f=173)
-   -   Блоки питания для планшетов, одноплатных компьютеров, TV-боксов (компоненты и технологии). (https://pccar.ru/showthread.php?t=27676)

skanch 04.05.2019 22:47

Питание для Nexus 9.
 
Вложений: 13
Попал мне в руки Nexus 9 от HTC для переделки системы питания.

Вложение 51137 Вложение 51136 Вложение 51138

Питание планшета осуществлялось от DC-DC преобразователя на XL4005, а питание HUB-а от KIS-а. Такое распределение не совсем понятно, но скорее всего потому что планировалось подключение к HUB-у внешнего HDD на 1,5 Тбайт и была надежда, что XL4005 с заявленными 5А "вытянет" планшет . По словам пользователя были систематические зависания планшета, непредсказуемые отключения и "отваливание" USB соединений.
Подготовлен планшет по всем канонам для Nexus-ов: батарея удалена, контроллер оставлен, перемычка по "минусу", припаян провод к кнопке питания планшета ( за что мастеру, подготовившему планшет большое спасибо - реально упростил мне задачу!), сделан выброс на GPS антенну с подключением к внешнему источнику питания, а так же к разъёму для наушников припаяны провода для эмуляции варианта "включение планшета по обнаружению подключения наушников" с управлением через реле. Но что-то не заладилось у пользователя - реле сгорело и было в последствии удалено, а включение делалось вручную по физическому нажатию на кнопку питания.

Я собрал питание на модульном БП с подключением внешнего модуля питания планшета, который рассчитан на нагрузку до 10А.

Вложение 51141 Вложение 51142

Два модуля установленные на плате контроллера: один для питания HUB-а, второй - для питания внешнего HDD. Оба модуля выполнены на двухслойной плате и с лёгкостью выдерживают длительную непрерывную нагрузку до 2,7А (кратковременно до 3А) при напряжение на выходе 5.25В. Выносной модуль в алюминиевом корпусе-радиаторе предназначен для питания планшета, с выставленным выходным напряжением 4,38В. Провёл тесты с использованием AnTuTu benchmark.
Планшет с лёгкостью справился с тестом, максимальный ток потребления планшетом, который был зафиксирован при проведении тестов - это 5,8А.
Первый тест набрал 151547,

Вложение 51139

сразу проведённый повторный тест уже показал чуть ниже 138828.

Вложение 51140

Сказалась температура на процессоре. Мастер, занимавшийся подготовкой планшета до меня поставил на процессор алюминиевый ребристый радиатор с выходом наружу через крышку планшета-и это правильное решение, поскольку при пиковых длительных нагрузках радиатор очень горячий (65-70С).

Вложение 51143

Управление планшетом сделал только по кнопке питания: при первом включении или после полного обесточивания в следствии "аварии" при снижении напряжения на АКБ до 11,5В, или после 36 часов простоя (АСС не появлялось)и снова после полного обесточивания блок питания при появлении "АСС" самостоятельно "нажимает" кнопку для включения планшета ( при этом играет такая мелодия...:smile1:) На этом планшете длительность "долгого" нажатия 3 секунды.
Пропало "АСС"- БП "нажал" кнопку коротко (0,25 сек)- планшет "уснул", появилось "АСС"- снова "нажал" - проснулся... Потребление в режиме "сна" всей системой 16-18мА. Планшет достаточно "жрущий" - при первом включении после обесточивания в момент загрузки ток поднимается до 3,7А, когда работает Яндекс-Навигатор, то возможны "подъёмы" до 4А... В "спокойном" состоянии потребление от 300 до 600 мА.


Вложение 51146

При "горячем" старте спутники "подхватывает" почти моментально после загрузки, хотя внешней антенны у меня нет, а только один разъём. Находит 6-8 спутников...
Питание на внешнюю GPS антенну взял с дополнительного канала +5В на блоке питания. После ухода в сон питание отключается, при выходе из сна подключается автоматически.

Вложение 51144 Вложение 51145

Это готовый вид

Вложение 51147

Подключение по USB сделал на самодельном кабеле USB-3.0 с дополнительным экранированием data-пары для исключения возможных наводок. Разъёмы самодельные с возможностью управления режимом OTG от блока питания.

Вложение 51148

Всё работает в автоматическом режиме...

skanch 07.05.2019 10:51

Вложений: 1
Всё таки прирост существенный по нагрузочной способности DC-DC модулей при использовании четырёхслойной платы : 3,5А против 2,7А... Собственное потребление во включённом режиме без нагрузки от 150 µA до 250 µA. Качественные параметры выходного напряжения только выигрывают от такой топологии.
Стоимость производства самой платы в 4-е слоя в пять раз дороже двухслойной, но на мой взгляд - это того стоит.

Вложение 51809

skanch 11.05.2019 14:32

Nexus 7 2013
 
Вложений: 9
Вариант компоновки блока питания и HUB-а на крышке планшета Nexus 7 2013 г. Полностью законченное решение с управлением только по кнопке питания на планшете.

Вложение 51810 Вложение 51172

Осталось только вывести внешнюю антенну GPS ( разъём в пути...).

Несколько рабочих фото, как закрепил угловой USB разъём и HUB.

Вложение 51173 Вложение 51174

Вложение 51175 Вложение 51176

Вложение 51177 Вложение 51178

Это готовый планшет с установленным SMA-female GPS разъёмом.

Вложение 51811

skanch 21.05.2019 18:54

Вложений: 1
Небольшое обновление модульного блока питания. Добавлен канал управления блоком питания от автомобильной сигнализации.
Если на входе этого канала появляется короткий импульс положительного напряжения длительностью не менее 0.6 секунд, то отрабатывается алгоритм "включение с выходом из сна". Если в течение 60 секунд после появления импульса не появляется положительное напряжение на канале "АСС", то система переходит в режим "отключение с переходом в сон".
Если длительность импульса меньше 0,6 секунд или превысила 5 секунд, то система не "стартует". Если "АСС" появилось в течение 60 секунд, блок работает дальше в штатном режиме. Канал управления от сигнализации не работает при "холодном старте", который происходит в следствие полного обесточивания блока питания по низкому напряжению на АКБ, по таймеру после 36 часов простоя или после аварийного отключения при "КЗ" на выходе силового канала (подробности ниже) и в этом случае запуск системы необходимо производить по линии "АСС".

Добавлена функция отслеживания состояния на силовом канале с выходом бортового напряжения "+12В" для подключения выносного DC-DC модуля или другого оборудования с током нагрузки до 8А. При включённом "АСС" если происходит "авария" в виде короткого замыкания ("КЗ") на этой линии, то контроллер моментально отключает эту линию от бортового напряжения, при этом остальные каналы работают в штатном режиме. Если "АСС" отключён и система находится в режиме "сна", а силовой канал включён и на нём произошло "КЗ", то контроллер мгновенно полностью обесточит блок (и себя в том числе), отключив его от бортовой сети и при этом потребление станет равно "0" .
И главное, что обновления будут и в новой "прошивке" для управления блоком питания, которую пишет профессиональный программист. Отладка на "железе" занимает не мало времени, но оно того стоит.

Вложение 51812

skanch 28.05.2019 09:10

Вложений: 15
Ещё один модуль прошёл тестирование. Это силовой DC-DC преобразователь на MP8762 с выходным напряжением +/-5V с током нагрузки до , выполненный на четырёхслойной плате по авторской топологии с послойным отводом тепла от микросхемы.
Устанавливается без радиатора на плату управления. Тесты проводились при комнатной температуре в течение 10 часов с непрерывной нагрузкой в . Температура платы модуля не поднималась выше отметки в 67С. Температура на корпусе микросхемы- 108С, индуктора- 87С.
Пульсации на выходе модуля при нагрузке в 9А - до 60mV, при нагрузке в 6А - до 40mV. Собственное потребление во включённом режиме без нагрузки 850 µA (микроампер!).

Вложение 51813 Вложение 51814

P.S.После модификации модуля параметры выходного напряжения заметно улучшились: при максимальной нагрузке пульсации на выходе не превышают 40mV. Изменения от 10.01.2020

Вложение 51580 Вложение 51583 Вложение 51584 Вложение 51585

__________________________________________________ ___________


Если укомплектовать плату управления вторым модулем с нагрузкой до 3,5А (условно для питания HUB-а), то этот блок питания действительно можно будет считать подходящим для любого планшета или одноплатного компьютера.

На плате контроллера управления тоже произошли небольшие изменения: вернулся к варианту ручной подстройки напряжения отслеживания на АКБ.
И закрепился после тестирования на предыдущих платах канал управления от автомобильной сигнализации

Вложение 51231

Модульная система блока питания позволяет выбрать оптимальный вариант нагрузочной способности БП. Ниже основные варианты комплектации:

Контроллер + модуль 9А + модуль 3,5А
Контроллер + модуль 3,5А + модуль 3,5А
Контроллер + модуль 3,5А + модуль 2,7А
Контроллер + модуль 2,7А + модуль 2,7А

Вложение 51257 Вложение 51816

Вложение 51817 Вложение 51818

Вложение 51569 Вложение 51570

Базовый алгоритм работы БП по «нажатию» на кнопку питания на планшете.

Первое включение (холодный старт)
(или включение после полного обесточивания по таймеру, или в следствии разряда АКБ до 11,5В)
Включили АСС:
-задержка 2 секунды
-включается питание планшета +4.38В
(проигрывается мелодия- нажать для прослушивания (это сигнализирует, что блок был обесточен по таймеру, в следствии "аварии" или по низкому напряжению на АКБ)
время мелодии 7 сек.)
Далее:
-нажимается кнопка на планшете (длинное нажатие 5 сек - появляется "масса" на контакте "2" белого разъёма)
-еще через 40 сек. (время для полной загрузки планшета)
-включается питание HUB-а +5.3В
-включается дополнительный канал +5,3В/1,5А
-еще через 5 сек.
-включается OTG (появляется "земля" для OTG)
-включается канал Rem1 с током нагрузки до 1,5А (включение внешнего усилителя)
-ещё через 5 секунд
-включается канал Rem (силовой с током нагрузки до 8А)
(Общее время загрузки 64 секунды).

Все последующие включения по алгоритму:
Включили АСС:

-пауза 2 сек.
-нажимается коротко кнопка 0,25 сек. (появляется "масса" на контакте "2" белого разъёма - планшет «проснулся»)
-через 0.5 сек.
-питание HUB-а +5.2В
-через 0.5 сек.
-дополнительный канал +5.3В/1,5А
-еще через 4 сек.
-OTG (появляется "земля" для OTG)
-еще через 10 сек.
-включается канал Rem1 с током нагрузки до 1,5А (включение внешнего усилителя)
-включается канал Rem (силовой с током нагрузки до 8А)
(Общее время загрузки 17 секунд).


Выключили АСС:

через 6 секунд:
-нажимается коротко кнопка 0,25 сек. ( появляется "масса" на контакте "2" белого разъёма - планшет «уснул»).
-ещё через 0,5 сек.
-выключается OTG (пропадает "земля" для OTG).
-выключается Rem1 с током нагрузки до 1,5А (включение внешнего усилителя)
-ещё через 1 сек.
-выключается дополнительный канал +5.2В/1.5А
-выключается питание HUB-а
-еще через 2 сек.
-выключается Rem (силовой с током нагрузки до 8А)
(Общее время отключения 9,5 секунд).

Канал питания планшета работает и выключится через 36 часов или если в течение этого времени произойдет разрядка АКБ до 11.5В


Возможная ситуация:

(АСС включён, планшет и периферия работают, двигатель не заведен, на АКБ подзарядка с генератора не идет, АКБ разрядился до 11.5В)
-проигрывается мелодия предупреждения (цикл повторяется 3 раза после чего все каналы отключаются)
-если вынуть ключ зажигания, то система полностью обесточивается и потребление равно «0».


Режим "Сервис"
При включённой кнопке "InBut" (если эта кнопка с фиксацией положения подключена к соответствующему выводу разъема и замкнута на "массу") система переходит в ждущий режим
- все каналы (кроме питания планшета) отключены (соответствует режиму "Выключили АСС") и реакции на наличие/отсутствие "АСС" нет.
Функция востребована в движении автомобиля при поданном "АСС" и когда захотелось "полной тишины" или просто потребовалось отключить планшет (увести в "сон").


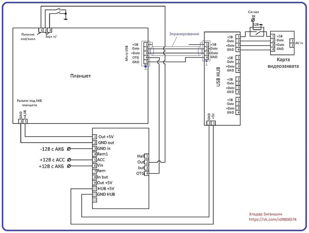
Ниже блок-схема варианта подключения БП от пользователя Эльдара Зиганшина.

Вложение 51779

mazay66 28.05.2019 15:53

Аплодирую стоя! Вот это уже действительно можно считать "умным БП", способным работать с любым планшетом/одноплатником и с каналом управления от сигнализации. Импонирует забота за "чистые" 5В. На пульсации не многие обращают внимание, а это важно.

skanch 28.05.2019 20:58

Цитата:

Сообщение от mazay66 (Сообщение 410239)
.

Благодарю за оценку!

skanch 28.05.2019 21:05

Вложений: 1
Вариант управления блоком питания от сигнализации предыдущих версий БП.

Вложение 51232

Используется МОП реле (OptoMOS Relay), как вариант такое...
Можно управлять, как вручную кнопкой с фиксацией (тумблер), так и автоматически по сигнализации ( если кнопка находится постоянно в нажатом состоянии), подключив, к примеру на выход для реле блокировки, на котором есть сигнал отрицательной полярности в течение всего времени после снятия с охраны. Если от сигнализации есть свободный канал (для реле блокировки) с выходом положительного потенциала ("плюс"), то на твёрдотельном реле просто меняется вариант подключения питания.
Алгоритм: сняли с "охраны", контакты реле Q1 замкнулись и если в это время кнопка S1 (тумблер) замкнута, то произойдёт запуск блока питания. При постановке сигнализации на "охрану" контакты реле Q1 разомкнуться и произойдёт запуск алгоритма отключения блока питания.
Кнопку S1 так же можно использовать для отключения блока питания ( отключение по алгоритму "сон") вручную во время движения автомобиля.

Железный 22.06.2019 23:07

Вложений: 1
https://photos.app.goo.gl/p5ZTup55vvH9ztZ16
Стал счастливым обладателем этого чудесного блока питания! Огромное спасибо Александру! Хоть эпопея моя еще не закончена, но блок работает на ура. Кто сомневается делает это зря. Блок работает даже с косяками моими при подключении (я спалил контроллер батареи:yes4:) а блоку хоть бы хны!

skanch 22.06.2019 23:31

Благодарю, Сергей за отзыв! Уверен,что "эпопея" закончится благополучно. Защита силовых каналов на плате контроллера управления модульного блока питания действительно спасает от мелких оплошностей при подключении, но тем не менее лучше до этого не доводить... Ещё раз спасибо за выбор моего блока питания!


Часовой пояс GMT +4, время: 19:30.

Работает на vBulletin® версия 3.8.4.
Copyright ©2000 - 2026, Jelsoft Enterprises Ltd.
Перевод: zCarot