PCCar.ru - Ваш автомобильный компьютер

PCCar.ru - Ваш автомобильный компьютер (https://pccar.ru/index.php)
-   iCarDS (https://pccar.ru/forumdisplay.php?f=121)
-   -   iCarDS + Arduino = iCarDuino (https://pccar.ru/showthread.php?t=16718)

Bersenev 06.03.2012 21:27

Цитата:

Сообщение от Fedorych (Сообщение 213775)
хорошо, завтра опробую.
версия икара важна? пробую щас только с 18

нет, только желательно не 12-я

Fedorych 07.03.2012 10:18

Андрей, ну вроде как работает:yes4:
По пути на работу, 6 раз загонял в сон, пульт все время начинал работать:smile2:
Будем тестировать дальше.
З.ы. пробовал с 18 версией.

ewgen1 13.03.2012 09:42

возможно ли сделать экран чтоб выводить показания датчиков давления масла температуры охлаждайки ну и т.д.????

Bersenev 13.03.2012 11:27

Цитата:

Сообщение от ewgen1 (Сообщение 214603)
возможно ли сделать экран чтоб выводить показания датчиков давления масла температуры охлаждайки ну и т.д.????

Я думаю что отдельный экран делать нет особого смысла, а вот сделать возможность в экране CheckEngine задавать любые показатели, а не только от плагинов связи с автомобилем можно. Хотя можно и отдельный экран Датчики сделать. В общем подумаю.

Beliy 13.03.2012 15:26

Цитата:

Сообщение от Bersenev (Сообщение 214611)
Я думаю что отдельный экран делать нет особого смысла, а вот сделать возможность в экране CheckEngine задавать любые показатели, а не только от плагинов связи с автомобилем можно. Хотя можно и отдельный экран Датчики сделать. В общем подумаю.

Было бы хорошо )))

Можно Андрей здесь вопрос задам, хоть к ардуино не относится. Можно ли сделать датчик температуру проца?

Alex-NN 15.03.2012 15:19

Цитата:

Сообщение от Beliy (Сообщение 214636)
Было бы хорошо )))

Можно Андрей здесь вопрос задам, хоть к ардуино не относится. Можно ли сделать датчик температуру проца?

http://www.pccar.ru/showthread.php?t=14526



Андрей, а можно как-то сделать возможность посылать с пульта нажатие клавиатуры?
Т.е. нажал кнопку на пульте получил на выходе, к примеру, "F7".
Для чего? Переключаю активность окон комбинацией "Alt+Esc". Хотелось бы это делать с пульта.
Сейчас у меня КейбоардМаньяк делает замену и я жму физически клавишу "F7" получаю "Alt+Esc".

Bersenev 15.03.2012 15:59

Цитата:

Сообщение от Alex-NN (Сообщение 214968)
Андрей, а можно как-то сделать возможность посылать с пульта нажатие клавиатуры?
Т.е. нажал кнопку на пульте получил на выходе, к примеру, "F7".
Для чего? Переключаю активность окон комбинацией "Alt+Esc". Хотелось бы это делать с пульта.
Сейчас у меня КейбоардМаньяк делает замену и я жму физически клавишу "F7" получаю "Alt+Esc".

Можешь попробовать повесить команду икара sendkey;{F7} или сразу sendkey;%{esc}, чтобы ничего не заменять

Beliy 17.03.2012 16:55

Цитата:

Сообщение от Alex-NN (Сообщение 214968)



Спасибо :happy:

Andycar 25.03.2012 11:04

А вот такой вопрос: плагин вообще видит СОМ-порты выше 10-го?
Дело в том, что мне пришлось дуинку повесить на другой хаб, и семерка сама стала переназначать порт с пятого на 6-й и обратно... Мне это "плавание" надоело, и я в девайсмэнеджере жестко назначил устройству порт 14 (другие все заняты уже). В рез-те Hotkey.exe устройство видит, а иКарДуино - нет.

C4ncer 25.03.2012 11:39

Спустя месяц пользования объявляю благодарность авторам Икара за iCarDuino:smile2:. За время использования в содружестве с рулевыми кнопками абсолютно никаких проблем не выявлено, всё работает как атомные часы.

folv 25.03.2012 11:40

По плагину управления нагрузок
он будет уметь?
1. Востановливать включенные нагрузки после включения IcarDS и выключать после завершения работы IcarDS.
2. Группировать реле -например одним нажатием включить две реле и т.д.

Fedorych 25.03.2012 17:08

Цитата:

Сообщение от Andycar (Сообщение 215991)
А вот такой вопрос: плагин вообще видит СОМ-порты выше 10-го?
Дело в том, что мне пришлось дуинку повесить на другой хаб, и семерка сама стала переназначать порт с пятого на 6-й и обратно... Мне это "плавание" надоело, и я в девайсмэнеджере жестко назначил устройству порт 14 (другие все заняты уже). В рез-те Hotkey.exe устройство видит, а иКарДуино - нет.

У меня на 21-все работает.

Andycar 25.03.2012 18:58

Цитата:

Сообщение от Fedorych (Сообщение 216025)
У меня на 21-все работает.

Ага, спасибо. Буду копать систему...:yes4:

Bersenev 25.03.2012 22:33

Цитата:

Сообщение от folv (Сообщение 216001)
По плагину управления нагрузок
он будет уметь?
1. Востановливать включенные нагрузки после включения IcarDS и выключать после завершения работы IcarDS.
2. Группировать реле -например одним нажатием включить две реле и т.д.

Для начала объясню, отдельного плагина не будет. Все функции управления нагрузками будут реализованы в плагине iCarDuino.

1. Это сделаю, ничего здесь сложного нет. Но опционально, потому что некоторым эта опция будет мешать.

2. Таких настроек в скине не будет, но сделать это будет можно, просто отредактировав определённые файлы.

Bersenev 04.04.2012 19:37

Вложений: 2
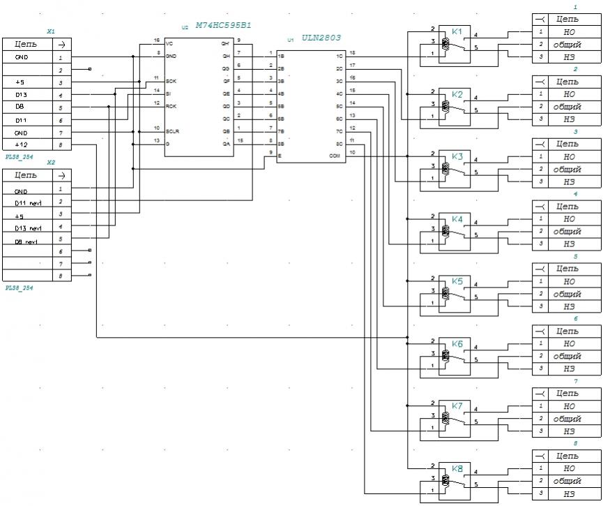
Схема блока управления нагрузками на 8 реле. Блок реле подключается к ардуино через разьём Х1, если надо использовать 16 реле, то к разъёму Х2 первого блока реле подключаем разъём Х1 второго блока реле и так можно расширить до 4х блоков, то есть 32 реле

(ардуино) -- (Х1 блок1 Х2) -- (Х1 блок2 Х2) -- (Х1 блок3 Х2) -- (Х1 блок4 Х2)

Вложение 26166

Макет печатной платы

Вложение 26162

admin 04.04.2012 21:51

Кстати эту плату расширения, можно подключать к разьему для программирования ICSP

Bersenev 04.04.2012 21:58

Цитата:

Сообщение от admin (Сообщение 217396)
Кстати эту плату расширения, можно подключать к разьему для программирования ICSP

Именно так и подключаю, только один выход на D8, так как D12 планируется использовать для других целей

autohirurg 04.04.2012 23:14

Цитата:

Сообщение от admin (Сообщение 211342)
Да Вы что этот шилд может всего 600мА на нагрузку выдать, а вентилятор печки потребляет от 1А до 5А в зависимости от автомобиля. Здесь скорее всего больше подходит вот такой девайс , еще свободные ключи можно использовать для управления нагрузками.

Так мне не надо напрямую, у меня еще блок управления скоростью вентилятора стоит прям возле мотора, на который подается сигнал с блока климатконтроля, которому нужен только ШИМ сигнал., а он уже преобразует в нагрузку.
Вот только чем этот ШИМ сигнал я могу прочитать с основного блока управления климатом? и задать его в ардуино?

folv 05.04.2012 05:25

Bersenev a, у U2 что за название (плохо читаемо) и можно пожалуйста плату в Layout
Разъём Х2 6 (D11 next), Х1 2 (D12) - они так и должены в воздухе висеть?

Bersenev 05.04.2012 08:11

Цитата:

Сообщение от folv (Сообщение 217425)
Bersenev a, у U2 что за название (плохо читаемо)
Разъём Х2 6 (D11 next), Х1 2 (D12) - они так и должены в воздухе висеть?

Заменил схему, теперь читается и разъемы подписаны правильно, только на X1-7 GND и X1 - 8 + 12 на плате вынесены в отдельный разъём, чтобы не делать плату двухсторонней.

Цитата:

Сообщение от folv (Сообщение 217425)
и можно пожалуйста плату в Layout

Разводка делалась в P-Cad, платы заказаны и должны быть готовы через 3 недели. Блок в виде конструктора можно будет приобрести у меня, в собранном виде в carmonitor-е.

folv 05.04.2012 08:28

Цитата:

Сообщение от Bersenev (Сообщение 217429)
Разводка делалась в P-Cad, платы заказаны и должны быть готовы через 3 недели. Блок в виде конструктора можно будет приобрести у меня, в собранном виде в carmonitor-е.

А почем будет в виде конструктора:smile2:

Bersenev 05.04.2012 08:55

Цитата:

Сообщение от folv (Сообщение 217430)
А почем будет в виде конструктора:smile2:

1000р, при самостоятельном изготовлении вряд ли получиться дешевле, только 8 реле, микросхемы и разъёмы в розничном магазине обходятся в 600-800р, не считая платы. В собранном варианте в кармониторе порядка 1500р.

folv 05.04.2012 16:45

Цитата:

Сообщение от Bersenev (Сообщение 217434)
1000р, при самостоятельном изготовлении вряд ли получиться дешевле, только 8 реле, микросхемы и разъёмы в розничном магазине обходятся в 600-800р, не считая платы. В собранном варианте в кармониторе порядка 1500р.

А можно купить отдельно саму плату без деталей?

Bersenev 05.04.2012 17:20

Цитата:

Сообщение от folv (Сообщение 217470)
А можно купить отдельно саму плату без деталей?

Как платы будут готовы, тогда и обсудим

folv 05.04.2012 17:37

Цитата:

Сообщение от Bersenev (Сообщение 217472)
Как платы будут готовы, тогда и обсудим

Хорошо буду ждать:bye: куплю не одну!

DemonD 05.04.2012 17:51

слава богу, не успел я себе таймеры понатыкать, теперь на ардуине всякие холодильники будут с задержкой в авто отключаться :)

Мордвин 09.04.2012 10:10

Добрый день, Коллеги!
Кто нибудь заливал скетч из 1-го поста в ардуинку? У меня собака ругается на строку OneWire ds(WIRE_PIN);
Что-то типа OneWire не является типом....
Библиотеки подключены. На аналогичную строчку IRrecv irrecv(RECV_PIN) не ругается.
В какую сторону рыть?

Bersenev 09.04.2012 10:31

А библиотеку OneWire установил?

admin 09.04.2012 11:02

Цитата:

Сообщение от folv (Сообщение 217476)
Хорошо буду ждать:bye: куплю не одну!

У тебя же есть плата с ключами, ты можешь ее использовать

folv 09.04.2012 11:09

Цитата:

Сообщение от admin (Сообщение 217813)
У тебя же есть плата с ключами, ты можешь ее использовать

да забыл, но пока еще не пришла:whistle:

Мордвин 09.04.2012 11:23

Цитата:

Сообщение от Bersenev (Сообщение 217808)
А библиотеку OneWire установил?

В папке библиотек ардуины она есть. Импорт сделал, директива include тоже есть.

Denkos 09.04.2012 17:42

Вольтметр на Ардунио вывести в Икар не планируется?

Shram 17.04.2012 11:05

Цитата:

Сообщение от Bersenev (Сообщение 217472)
Как платы будут готовы, тогда и обсудим

Хотелось бы тоже платок прикупить.А модуль с CarMonitor http://carmonitor.ru/ru/product_info...roducts_id=172 использовать нельзя?

Bersenev 17.04.2012 11:24

Цитата:

Сообщение от Shram (Сообщение 218738)
Хотелось бы тоже платок прикупить.А модуль с CarMonitor http://carmonitor.ru/ru/product_info...roducts_id=172 использовать нельзя?

Сегодня завод отзвонился, платы будут через две неделе. Использовать то можно, но не рентабильно. Подключение восьми таких реле обойдётся в два раза дороже, чем уже собранный мой блок, в том же кармониторе.

Shram 17.04.2012 11:27

Цитата:

Сообщение от Bersenev (Сообщение 218744)
Сегодня завод отзвонился, платы будут через две неделе. Использовать то можно, но не рентабильно. Подключение восьми таких реле обойдётся в два раза дороже, чем уже собранный мой блок, в том же кармониторе.

Спасибо будем ждать

AlexPicaso 07.05.2012 06:27

Вложений: 1
не компилировался скетч.
вот решение.
Цитата:

думал только у меня проблема с библиотекой для IR.

есть ли возможность использовать ее с arduino-1.0 ?
Цитата:

Оказывается возможность есть! Одно из изменений в ардуино-1.0 это переименование WProgram.h в Arduino.h . Соответственно чтобы работала ардуино нужно все упоминания в библиотеке об WProgram.h нужно заменить на Arduino.h. Проделав это, у меня скетч скомпилировался. Переделанная библиотека:


folv 08.05.2012 09:37

Цитата:

Сообщение от Bersenev (Сообщение 218744)
Сегодня завод отзвонился, платы будут через две неделе. Использовать то можно, но не рентабильно. Подключение восьми таких реле обойдётся в два раза дороже, чем уже собранный мой блок, в том же кармониторе.

А когда можно ожидать плагин для реле?:smile2:

folv 24.05.2012 21:01

Ну когда уже можно ожидать плагин для реле?:whistle:

Alex-NN 25.05.2012 00:36

Цитата:

Сообщение от folv (Сообщение 222245)
Ну когда уже можно ожидать плагин для реле?:whistle:

Вот интересно, чего такого не хватает в тойоте рав 4, чем нужно управлять из Икара с помощью реле?
Без обид! У меня не хватает фантазии это представить!

folv 25.05.2012 06:39

Цитата:

Сообщение от Alex-NN (Сообщение 222258)
Вот интересно, чего такого не хватает в тойоте рав 4, чем нужно управлять из Икара с помощью реле?
Без обид! У меня не хватает фантазии это представить!

А я и не обиделся:whistle:
Например управление задними подогревателями сидений, управление стеклоподьемниками (как в LeoCar) и т. д. чтобы не дырявить панель:smile2:


Часовой пояс GMT +4, время: 03:46.

Работает на vBulletin® версия 3.8.4.
Copyright ©2000 - 2025, Jelsoft Enterprises Ltd.
Перевод: zCarot