PCCar.ru - Ваш автомобильный компьютер

PCCar.ru - Ваш автомобильный компьютер (https://pccar.ru/index.php)
-   Разработка устройств (https://pccar.ru/forumdisplay.php?f=18)
-   -   Intel D201GLY - Мать за 87$ с процессором Intel (https://pccar.ru/showthread.php?t=2696)

aptm 27.08.2007 05:44

Цитата:

Сообщение от Mamont (Сообщение 32993)
полазь на савеловском там найдеш переходник для винта
или поиши на molotok.ru там тоже видел я

Или тут

flipper 27.08.2007 14:56

Спасибо большое за наводку..Как только случится чудо и у меня будет выходной поеду закупаться.

Alex1972 30.08.2007 18:43

Вложений: 1
Привет всем.

Хочу немного предостеречь. Эта плата плохо запускается (с 5-го - 20-го раза) с БП SL Lite, cхема которого выложена на нашем сайте. После пуска вентиляторы крутятся, но бивис не инециализируется. Все енто связано с немного не корректной реализацией сигнала PG в Lite версии БП. Вообщем я решил данную проблему следующим образом, выкладываю маленькую схемку на LM393.

http://pccar.ru/attachment.php?attac...1&d=1188480225

2+5-я ноги LM-ки идут на 2-ю ногу TL494
6-я нога припаивается туда же, куда идет провод от АТХ разъема PS-ON
Vref идет на 13,14,15 ногу TL494
Провод от АТХ разъема PG отпаиваем от БП и припаиваем к 1-й ноге LM-ки

Вроде все, цена переделки 15-ть руб.

Menen 30.08.2007 20:51

Цитата:

Сообщение от Alex1972 (Сообщение 33169)
Привет всем.

Хочу немного предостеречь. Эта плата плохо запускается (с 5-го - 20-го раза) с БП SL Lite, cхема которого выложена на нашем сайте. После пуска вентиляторы крутятся, но бивис не инециализируется. Все енто связано с немного не корректной реализацией сигнала PG в Lite версии БП. Вообщем я решил данную проблему следующим образом, выкладываю маленькую схемку на LM393.

http://pccar.ru/attachment.php?attac...1&d=1188480225

2+5-я ноги LM-ки идут на 2-ю ногу TL494
6-я нога припаивается туда же, куда идет провод от АТХ разъема PS-ON
Vref идет на 13,14,15 ногу TL494
Провод от АТХ разъема PG отпаиваем от БП и припаиваем к 1-й ноге LM-ки

Вроде все, цена переделки 15-ть руб.


Большой респект!!!! Действительно со схемой Лайт БП СЛ проблемы с этой материнкой. Правда схемка не очень понятна:be:

Alex1972 30.08.2007 22:03

Вложений: 1
Цитата:

Сообщение от Menen (Сообщение 33176)
Большой респект!!!! Действительно со схемой Лайт БП СЛ проблемы с этой материнкой. Правда схемка не очень понятна:be:

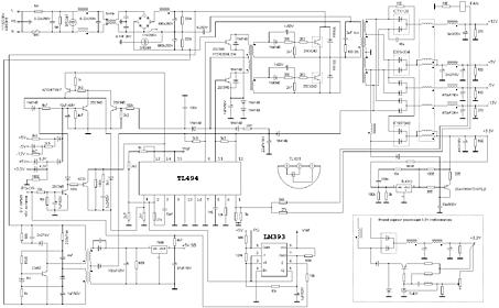
Посмотри вот эту схему и все станет ясно......

Вложение 3647

Alex1972 30.08.2007 22:06

Вложений: 1
Вот еще архив со схемой в нем качество получше....

Вложение 3648

Menen 30.08.2007 22:38

Спасиб

Vzik 17.09.2007 00:48

Сегодня перебрал свой VIA Voom PC на Intel, блок питания M1 прекрасно тянет обсуждаемую мать, заодно обновил БИОС - до версии 1.03

http://downloadcenter.intel.com/down...ndent&lang=eng

Vl@dK 17.09.2007 16:56

Купил эту мать, ваяю системник на базе Чип-диповского корпуса и Серегиного БП.

ruslan188 19.09.2007 01:34

Цитата:

Действительно со схемой Лайт БП СЛ проблемы с этой материнкой
Ребята.... а у мня тож вентиля крутятся 3 сек и вырубаются а иногда неделями отлично пашет.... у мня блок вроде не лайт.. с мозгами на борту.. которые отключил..


тупик кароче.. в чём дело не пойму... мож биос обновить


Часовой пояс GMT +4, время: 21:19.

Работает на vBulletin® версия 3.8.4.
Copyright ©2000 - 2025, Jelsoft Enterprises Ltd.
Перевод: zCarot