PCCar.ru - Ваш автомобильный компьютер

PCCar.ru - Ваш автомобильный компьютер (https://pccar.ru/index.php)
-   Планшеты (https://pccar.ru/forumdisplay.php?f=182)
-   -   Nexus 7 2013 в качестве CarPC (читаем "шапку" обязательно!). (https://pccar.ru/showthread.php?t=20830)

oleg707 28.10.2018 14:21

Цитата:

Сообщение от skanch (Сообщение 406247)
Это и так из "шапки"... Просто никто не читает её-эту "шапку", как я понимаю.

Шапка нужна более продвинутым пользователям для ответов менее продвинутым :big:

Mixman 28.10.2018 17:11

Да просто нужно указать "подключение внешней активной GPS антенны". Для WiFi, для LTE.

Шапку многие читают. Но она большая, поэтому нужно немного конкретики.

Алексей L&M 29.10.2018 06:57

Вложений: 1
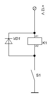
Подскажите, АСС и IGN можно так соединять или нет? Задача сохранить питание реле при запуске двигателя, т.к. АСС пропадает. Что то в нете вообще такой схемы подключения не могу найти, везде кондёры вешают, а мне хотелось бы от них избавиться.

skanch 29.10.2018 09:47

Вложений: 1
Цитата:

Сообщение от Алексей L&M (Сообщение 406257)
Подскажите, АСС и IGN можно так соединять или нет? Задача сохранить питание реле при запуске двигателя, т.к. АСС пропадает. Что то в нете вообще такой схемы подключения не могу найти, везде кондёры вешают, а мне хотелось бы от них избавиться.

Да - так можно. Если реле электромеханическое, то параллельно обмотке желательно ставить диод.

Вложение 50386

У меня по аналогичной схеме включения через два диода стоит твёрдотельное реле на 80А уже лет восемь. Использую для "разгрузки" линии "АСС".

http://pccar.ru/attachment.php?attac...1&d=1521747261

papant 29.10.2018 23:31

Цитата:

Сообщение от skanch (Сообщение 406212)

А еще можно просто в ЮСБ подключить GPS антенну (например у меня такая )и ничего не паяя заиметь хороший сигнал )

oleg707 29.10.2018 23:52

Цитата:

Сообщение от papant (Сообщение 406283)
А еще можно просто в ЮСБ подключить GPS антенну (например у меня такая )и ничего не паяя заиметь хороший сигнал )

ты бы еще про настройки этого добра выложил, мне, например, боязно, что оно с родной конфликтовать будет.

papant 30.10.2018 01:35

Цитата:

Сообщение от oleg707 (Сообщение 406284)
ты бы еще про настройки этого добра выложил, мне, например, боязно, что оно с родной конфликтовать будет.

Сейчас под рукой планшета нету, но примерно вот так
Ничего ни с чем не конфликтует, работает на ура

tima10 01.11.2018 20:41

Вложений: 1
Цитата:

Сообщение от Алексей L&M (Сообщение 406257)
. АСС пропадает. Что то в нете вообще такой схемы подключения не могу найти, везде кондёры вешают, а мне хотелось бы от них избавиться.

я решил все это с помощью Таскера, и пропадание АСС как-то не проявляется, правда у меня датчик Холла не задействован, простая схема подачи питания на юсб планшета, а остальное все делают Таскер и патч автовключения.(батарейка планша оставлена, используется чисто как навигатор, установлен в панель авто (Nexus7_2012 WiFi). а для мультимедиа есть в авто ГУ. и так уже три зимы и лета, посмотрим эту зиму:smile1:

oleg707 01.11.2018 21:11

Цитата:

Сообщение от Алексей L&M (Сообщение 406257)
Подскажите, АСС и IGN можно так соединять или нет? Задача сохранить питание реле при запуске двигателя, т.к. АСС пропадает. Что то в нете вообще такой схемы подключения не могу найти, везде кондёры вешают, а мне хотелось бы от них избавиться.

Собери мой " умный БП", там это даже вопросом не стоит, если надо откорректируешь настройки под себя. Можешь даже взять комплект по себестоимости.

kyty30v 03.11.2018 11:59

Вопрос немного не в тему будет. Есть какой либо доп софт для парковочных линий. Ввиду нестандартной установки они у меня вверху окажутся при включении))


Часовой пояс GMT +4, время: 12:42.

Работает на vBulletin® версия 3.8.4.
Copyright ©2000 - 2026, Jelsoft Enterprises Ltd.
Перевод: zCarot