PCCar.ru - Ваш автомобильный компьютер

PCCar.ru - Ваш автомобильный компьютер (https://pccar.ru/index.php)
-   Рабочий журнал (https://pccar.ru/forumdisplay.php?f=25)
-   -   Accent установка Acer aspire one 110 (https://pccar.ru/showthread.php?t=8997)

Alex-NN 28.06.2010 14:56

Непонятно, какой монитор в текущей конфигурации.
От Acer aspire one 110? Как подключен?

Virtual 28.06.2010 15:11

DimDim-istra
1. вентилятор на вдув? не думал о установке фильтра? ибо под сидушкой мягкоговоря пыльно.
2.
Цитата:

раза три перепаивал блок питания на 19 в, горит зараза.
по какой схеме делал? не должен он гореть! при правильной сборке.
3. не выравняеш потенциал минуса меж корпусом авто и массой моника, так и будет "полосить" помехами :).

DimDim-istra 28.06.2010 17:10

Вложений: 1
Alex-NN
Монитор 7" плюс тач, с Acerom завязал, лежит дома для инета и так по мелочи.
Был подключен VGA кабелем, проблем не было. Я изначально не хотел его препарировать, его монитор в Accent внедряется ну с очень большими переделками, а колхозить нет желания, ну а 7" встал как родной.

Virtual
1. Вентилятор на вдув.
Пыли за пол года нет, я в принципе окна стараюсь не открывать ну и салонный фильтр стоит, в сравнении с домашним системником просто стерильно, посмотрю в конце лета, может и поставлю.
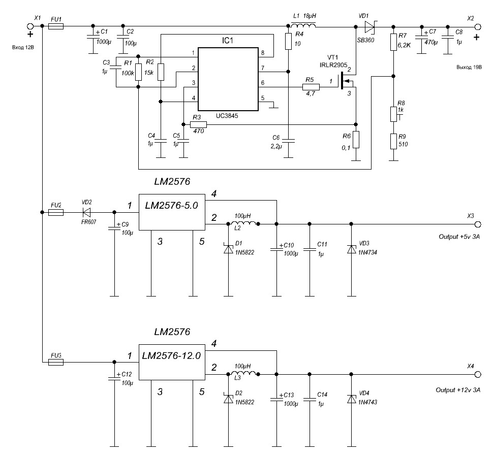
2.Вот схема
Вложение 17634
С нетбуком работало нормально, с материнкой Zotac, горит полевик и микросхема. И при заводке UC3845 вырубала блок питания по просадке напряжения.
3.Полоски тоже пропали, когда "-" платы БП посадил на массу корпуса.
Да и полосил только в режиме VGA.

Virtual 28.06.2010 19:37

2. хм странно, если все согласно схеме то не мог сгореть бп! если конечно R6 не проигнорировал ;) с номиналом в 0,1Ом защита по току в 10А, что за глаза данному транзистору. так что иль че в схеме намудрил, иль тепловой пробой.

ЗЫ а 12в для чего у тя используется? просто очень весело видеть такую схему :) фигово работающую при незаведенном авто.

DimDim-istra 29.06.2010 10:54

На 100% тепловой пробой, схема рабочая на Acere работала без проблем, здесь полевик перегревался, я его и на радиатор сажал, как на улице потеплело горит и все. А 12 вольт идет на питание монитора и пару кулеров. БП работал нормально, я писал что вырубался при заводке, когда если заглушил машину, комп поработал минут 5, а потом заводишь, вот тогда он перезагружался по просадке питания, а вот почему не знаю, вольтаж меньше 11в и все, грузимся заново. На нетбуке от этого спасала его батарея. Хотя и поставил Vanson, разобраться все равно хочется. У материнки родной адаптер на 90 w.

Virtual 29.06.2010 12:52

DimDim-istra раз перегревался транзистор значит, проблема в расчете ....
меня смущает емкость у тя на 4й ноге 1мкф:shok: или это очепятка?
ибо вродь при 2,2нФ частота всего 40кГц. осцилографом смотреть нужно :(.

DimDim-istra 29.06.2010 15:12

Похоже опечатка, на днях проверю. У меня еще осталась плата чисто под 19в блок, попробую погонять. Спасибо за наводку где искать.

Virtual 29.06.2010 15:43

Цитата:

Сообщение от DimDim-istra (Сообщение 147690)
Похоже опечатка, на днях проверю. У меня еще осталась плата чисто под 19в блок, попробую погонять. Спасибо за наводку где искать.

там скорее всего 1..4нф стоять должен.
если на самом деле больше (по даташиту вообще более 100нф нету), боюсь частоты не хватает нормально раскачать 3А.
да и индуктивность смущает... обычно при данных частотах там значительно более 18mH

ЗЫ а то что отрубалось при кручении стартером, логично ибо данная микруха 12 ≤ VCC ≤ 25V :(. запустить нормально можно но нужно двойное питание, одно с авто через диод 12в, другое с 19в. тож через диод, и все это подать на 7й нога :).

DimDim-istra 29.06.2010 17:05

С двойным питанием много гемороя, пока оставлю как есть, Vanson прижился, а блок спаяю для нетбука (его и буду мучать), пускай ребенок в дороге развлекается.

Virtual 29.06.2010 19:19

Вложений: 1
Цитата:

Сообщение от DimDim-istra (Сообщение 147710)
С двойным питанием много гемороя, пока оставлю как есть, Vanson прижился, а блок спаяю для нетбука (его и буду мучать), пускай ребенок в дороге развлекается.

ты издеваешся?


Часовой пояс GMT +4, время: 11:26.

Работает на vBulletin® версия 3.8.4.
Copyright ©2000 - 2025, Jelsoft Enterprises Ltd.
Перевод: zCarot