PCCar.ru - Ваш автомобильный компьютер

PCCar.ru - Ваш автомобильный компьютер (https://pccar.ru/index.php)
-   CAR-ATX p4 (SL PSU) (https://pccar.ru/forumdisplay.php?f=64)
-   -   (БП SL-Lite) БП для самостоятельной сборки (https://pccar.ru/showthread.php?t=264)

Vladget 02.01.2015 15:02

Вложений: 1
Цитата:

Сообщение от serglev (Сообщение 316038)
Ну скиньте сюда, если не трудно. меня интересуют только принцииальные схемы. Я все равно собираю все на рыбе. Нафик заморачиваться со всей этой лабудой с печатками, пошел, купил рыбу за 100-200 р. двухстороннюю. с металлизацией до 20 перепаек.... А насчет вольтобавки? Делал кто нибудь? Ведь чем выше напряжение на затворе, тем быстрее будет открываться закрываться полевик, выше кпд и меньше все это будет греться.

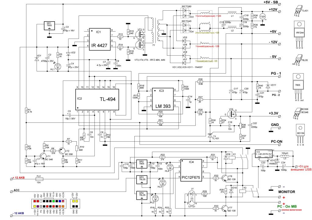
ну вот схема, а с вольтдобавкой никто ничего не делал, все крутится вокруг этого
Вложение 37980

Andrey875 02.01.2015 18:43

По этой схеме если не ошибаюсь на PIC нужна прошивка?

Vladget 02.01.2015 19:08

Цитата:

Сообщение от Andrey875 (Сообщение 316056)
По этой схеме если не ошибаюсь на PIC нужна прошивка?

Да нужна, и она есть, просто для этой схемы нет печатки, это так схема для общего развития, да вообще печатка с контроллером есть только в смд варианте, для вас это неприемлимо по деталям. А этот контроллер можно собрать и отдельно, эта схема и прошивка взята из отдельной ветки, ссылку сразу не помню.

Andrey875 02.01.2015 19:11

Если смд, то понятно. Тогда не вариант

Vladget 02.01.2015 19:28

Цитата:

Сообщение от Andrey875 (Сообщение 316061)
Если смд, то понятно. Тогда не вариант

Непонятно,что понятно, изначально этот контроллер был разработан для Dip микросхем где то целая ветка по этому контроллеру, потом макс выложил сначала печатку БП смд вариант, потом появилась печатка в смд варианте с контроллером схема которого, и прошивка остались прежней но в варианте смд

serglev 02.01.2015 19:55

Драйвер стоит как минимум в 2 раза дороже шима, а отзывы о нем не очень хорошие . горит часто. и заменяется на 2 копеечных транзистора... Посмотрел я в инете че нибудь на замену 494, есть 594 и 598, приемлемые по цене, в общем буду исходить из того, что имеется у нас в наличии.В принципе. кто уже собрал такой БП, могут его модернизировать по приведенной выше схеме, без изменения печатки.Для этого нужно выпаять резисторы R3 и R5 вместо них на макетке впаять схему Q1 Q2 R1 R2 в каждое плечо. Думаю результат будет положительный) Это для начала. Дальше туда же можно будет допаять вольтдобавку. Пока я не определился сколько докинуть напряжения. Все зависит от допустимого сток-затвор полевика. С 494, я ошибся, напряжение на ней можно подкинуть аж до 40В.

Vladget 02.01.2015 20:18

Цитата:

Сообщение от serglev (Сообщение 316066)
Драйвер стоит как минимум в 2 раза дороже шима, а отзывы о нем не очень хорошие . горит часто. и заменяется на 2 копеечных транзистора... Посмотрел я в инете че нибудь на замену 494, есть 594 и 598, приемлемые по цене, в общем буду исходить из того, что имеется у нас в наличии.В принципе. кто уже собрал такой БП, могут его модернизировать по приведенной выше схеме, без изменения печатки.Для этого нужно выпаять резисторы R3 и R5 вместо них на макетке впаять схему Q1 Q2 R1 R2 в каждое плечо. Думаю результат будет положительный) Это для начала. Дальше туда же можно будет допаять вольтдобавку. Пока я не определился сколько докинуть напряжения. Все зависит от допустимого сток-затвор полевика. С 494, я ошибся, напряжение на ней можно подкинуть аж до 40В.

Да ладно лишнее это во первых никто не жаловался, у все кто собирал все работает, под этот драйвер печатки заточены, понятно что можно два транзюка , нарисуй печатку выложи особо в смд варианте очень замечательно будут смотреться эти четыре транзюка вместо этого драйвера в смд варианте! Зачем рабочий БП модернизировать, ну вот зачем? что изменится? где покупать 594 и особенно 598-е ) что одна что другая редкость! только с али, потом еще на примере допустим Ir3205 и этого драйвера 4427, при условии что на печатке стоят 4-ре - 3205, по 2 в каждом плече объясни, что даст вольтдобавка, где ее взять в начальном этапе запуска , и как отразится это на всех тех печатках что есть? Или ты думаешь что сейчас почитав это все все кинутся их рисовать? Наврядли или думаешь что нет? И пока (ничего личного) твои рассуждения носят только теоритический характер, а когда будет практические рассуждения ? и конкретные схемы только непонятно они как вроде уже и не нужны никому, судя по активности этой ветки. Все перешли на М2., М4 и т.д.
Короче я больше не участвую в твоих теоритических дискуссиях.

Andrey875 02.01.2015 20:23

Так этот пик получается только в смд варианте есть?

Я не понимаю! Какое напряжение вы собираетесь поднимать до 40 в.? К чему это?

Vladget 02.01.2015 20:39

Цитата:

Сообщение от Andrey875 (Сообщение 316068)
Так этот пик получается только в смд варианте есть?

Я не понимаю! Какое напряжение вы собираетесь поднимать до 40 в.? К чему это?

нет он есть и в дипе вот откуда он взялся http://compcar.ru/forum/showthread.php?t=4502

Andrey875 02.01.2015 21:36

Так это получается, что БП, контроллер и питание периферии можно собрать на разных платах, а эта схема лишь объединяет их все в одну плату?


Часовой пояс GMT +4, время: 22:50.

Работает на vBulletin® версия 3.8.4.
Copyright ©2000 - 2026, Jelsoft Enterprises Ltd.
Перевод: zCarot