PCCar.ru - Ваш автомобильный компьютер

PCCar.ru - Ваш автомобильный компьютер (https://pccar.ru/index.php)
-   Питание (https://pccar.ru/forumdisplay.php?f=173)
-   -   питание планшета без батареи (https://pccar.ru/showthread.php?t=18424)

SarMat 27.12.2018 16:33

А если стационарный, но с оставлением батареи? Чем чревато?

Vladget 27.12.2018 17:00

Цитата:

Сообщение от SarMat (Сообщение 407401)
А если стационарный, но с оставлением батареи? Чем чревато?

Ночью зимой в машине какая температура ?

SarMat 27.12.2018 17:27

Ой, бывает по всякому, от 0 и до 29-32 давит, редко больше. Да и машина работает далеко не каждый день, бывает неделями стоит, акум естественно в ноль садится. Бывает вообще без акума стоит

mazay66 27.12.2018 20:39

Ладно зимой. Не включится планшет, да и бог с ним. Неприятно, но не фатально. А вот, летом, задумайтесь - в салоне, под солнечными лучами, какая температура в машине? Батарея может и "потечь". Вот это уже "веселее".

oleg707 27.12.2018 22:36

Цитата:

Сообщение от SarMat (Сообщение 407401)
А если стационарный, но с оставлением батареи? Чем чревато?

Ничем. Можно долго и счастливо ездить. Но с обязательным оставлением контроллера. Бонусом будет удержание времени при отключении дс-дс.
Я ездил с батареей довольно долго, года 1.5, потом убрал вместе с контроллером (в машине Нексус 7-2012).

oleg707 27.12.2018 22:40

Цитата:

Сообщение от mazay66 (Сообщение 407412)
Ладно зимой. Не включится планшет, да и бог с ним. Неприятно, но не фатально. А вот, летом, задумайтесь - в салоне, под солнечными лучами, какая температура в машине? Батарея может и "потечь". Вот это уже "веселее".

Да ладно, до 60 салон прогревался иногда на солнце, ну контроллер батареи в защиту сваливался, и то я этого не замечал.
Я снял, потому как контроллер ушел в защиту от большого количества разных БП, подключаемых для теста. Оживлять было лень ( через пару дней предстояла поездка за границу). До сих пор лежит за 1000км от меня.

skanch 27.12.2018 23:17

Цитата:

Сообщение от oleg707 (Сообщение 407426)
Ничем. Можно долго и счастливо ездить. Но с обязательным оставлением контроллера. Бонусом будет удержание времени при отключении дс-дс.
Я ездил с батареей довольно долго, года 1.5, потом убрал вместе с контроллером (в машине Нексус 7-2012).

Ну с оставленной батареей контроллер по умолчанию остаётся... Самое главное не экспериментировать в этом случае с перемычкой. Хоть Li-Pol и более надёжные батареи по сравнению с Li-Ion, но от перезаряда "хлопают" тоже очень хорошо. Главная проблема - это то, что Li-Pol не любят низких температур (высокие температуры вплоть до 80С даже рекомендуют для лучшего заряда). Кому-то повезло (как в твоём случае) и можно ездить " долго и счастливо", а кто-то после первых небольших заморозков выкидывал полностью разрядившиеся аккумуляторы, которые "оживить" очень не просто. Поэтому я бы не экспериментировал (SarMat), а сразу удалил бы батарею при стационарном использовании планшета...

SarMat 28.12.2018 02:35

Я в принципе тоже склоняюсь к варианту выкинуть батарею, где то читал что может не только потечь и сдохнуть, а еще и взорваться.
Тогда получается планшет будет просто в спящем режиме постоянно сосать акум машины, правильно?

Denkos 28.12.2018 05:03

Цитата:

Сообщение от SarMat (Сообщение 407432)
Я в принципе тоже склоняюсь к варианту выкинуть батарею, где то читал что может не только потечь и сдохнуть, а еще и взорваться.

Я даже с телефонов батарейки выкинул, не дай бог...:shok:

skanch 28.12.2018 08:11

Цитата:

Сообщение от SarMat (Сообщение 407432)
...Тогда получается планшет будет просто в спящем режиме постоянно сосать акум машины, правильно?

Если всё сделать правильно, то потребление в режиме "сон" можно свести к минимуму. http://pccar.ru/showpost.php?p=397781&postcount=3268

mazay66 28.12.2018 09:00

Убеждать никого не собираюсь. Каждый сам "кузнец своего счастья". У меня только один автомобиль. Автопарка нет. Поэтому экспериментировать с химическим источником энергии не могу себе позволить. От преобразователя питания планшет можно не только в спящем режиме оставлять,но и выключать

SarMat 28.12.2018 11:05

Цитата:

Сообщение от skanch (Сообщение 407435)
Если всё сделать правильно, то потребление в режиме "сон" можно свести к минимуму. http://pccar.ru/showpost.php?p=397781&postcount=3268

это рекомендации касательно нексуса? В особенности ядро?

Цитата:

Сообщение от mazay66 (Сообщение 407436)
Убеждать никого не собираюсь. Каждый сам "кузнец своего счастья". У меня только один автомобиль. Автопарка нет. Поэтому экспериментировать с химическим источником энергии не могу себе позволить. От преобразователя питания планшет можно не только в спящем режиме оставлять,но и выключать

то есть ты тоже "за" выбрасывание батареи?

mazay66 28.12.2018 16:54

"ЗА". Только не понимаю, почему планшет должен быть все время в спящем режиме??? Что мешает его выключать (программно или кнопкой)?

SarMat 28.12.2018 20:13

Я так понимаю что мешает долгое время включения

mazay66 28.12.2018 21:03

40 секунд загрузки, с утра, прогревая автомобиль - как-то мешает?

oleg707 28.12.2018 21:24

Цитата:

Сообщение от mazay66 (Сообщение 407459)
40 секунд загрузки, с утра, прогревая автомобиль - как-то мешает?

Да, мне,например, мешает.
И на 7-12 время 1м 40с, что слегка побольше. Удобно при включении зажигания видеть мгновенный отзыв ( например навигацию ввести- посмотреть). Грею 10-20 сек, пока газ не включится. Подземная парковка. Если машина стояла на улице - пока греется предпочитаю слушать музыку.
Раньше у меня стояло полное выключение через 6 часов, так считал удобным. Теперь стоит 3 суток. потом - хз, что будет:dntknw:. У каждого свои запросы.:rolleyes2:

skanch 29.12.2018 12:01

Цитата:

Сообщение от SarMat (Сообщение 407457)
.

О каком планшете идёт речь? Я понимаю, что это не Nexus?

SarMat 29.12.2018 15:05

Цитата:

Сообщение от skanch (Сообщение 407470)
О каком планшете идёт речь? Я понимаю, что это не Nexus?

нет, это не нексус.
Дома валяется без дела Oysters T72HM 3G, вот на нем решил попробовать

skanch 29.12.2018 15:17

Это немного меняет подход... Для начала нужно "расковырять" контроллер батареи, чтобы понять способ подключения внешнего питания планшета (топология и набор деталей на контроллере могут подсказать как правильно это сделать). Если выложите здесь качественные фотографии батареи и его контроллера с двух сторон, то можно будет определить дальнейшие шаги по организации питания планшета.

SarMat 29.12.2018 15:20

Сейчас для начала я хочу поставить на него кастомную прошивку, рутануть, и потом еще немного софта. Ну то есть пока все собрано штатно, а потом приступать к разборке

skanch 29.12.2018 15:25

Цитата:

Сообщение от SarMat (Сообщение 407478)
Сейчас для начала я хочу поставить на него кастомную прошивку, рутануть, и потом еще немного софта. Ну то есть пока все собрано штатно, а потом приступать к разборке

Это правильное решение...
Если на контроллере нет собственной "умной" микросхемы управления питанием, а только набор ключей с микросхемой управления, то скорее всего подойдёт такой вариант подключения внешнего питания. В планшете есть датчик Холла? Это можно определить, поводив по планшету магнитом, когда он включён. Если Холла нет, то управление возможно по кнопке питания (нужно определить однопроводная система с коммутацией на "массу" или требует замыкания между собой двух проводов от кнопки). Если прошивка планшета поддерживает одновременную передачу данных и подзарядку на USB, то можно управлять включением по "наличию питания на USB".

SarMat 05.01.2019 18:14

На батареи всего 2 провода

SarMat 05.01.2019 19:02

https://ibb.co/LnM3ZjC
https://ibb.co/jyzHxmy
https://ibb.co/7yjwXCT
Фото

oleg707 06.01.2019 04:52

Цитата:

Сообщение от SarMat (Сообщение 407621)
На батареи всего 2 провода

Обычно в таких случаях подключают так: плюс от блока питания или дс-дс преобразователя припаивают на плюс батареи и минус подпаивают на массу юсб планшета.
Про блоки питания смотреть в теме питание

bobayn 11.06.2019 18:51

вопрос по питанию планшета:
есть старый планшет с убитой матрицей, возможно ли подключить к его выводам на аккумулятор аккумулятор нового планшета, так чтобы в нем можно было пользоваться usb? и будет ли новый планшет нормально воспринимать аккумулятор?

Vitaly123 03.12.2020 19:52

Парни проблема такая имеется планшет Dell он на windows хочу его установить в машину взамен умершего nexusa 7 хочу запитать его без аккумулятора хотя сам аккумулятор на нём живой проблема такая хотел отпаять банки там их две припаяны последовательно каждая по 3.8 в но на 4pda жути навели что если их отпаять контролер уйдет в защиту и запустить его потом можно будет только через программатор с самого аккумулятора выходит примерно 4 вольта кроме + и - есть еще 3 провода на одном висит постоянно где-то 3.3 а два других это шина данных как я понял .У кого-нибудь может есть опыт борьбы с такими контролерами ?

skanch 03.12.2020 20:12

Цитата:

Сообщение от Vitaly123 (Сообщение 416917)
Парни проблема такая имеется планшет Dell он на windows хочу его установить в машину взамен умершего nexusa 7 хочу запитать его без аккумулятора хотя сам аккумулятор на нём живой проблема такая хотел отпаять банки там их две припаяны последовательно каждая по 3.8 в но на 4pda жути навели что если их отпаять контролер уйдет в защиту и запустить его потом можно будет только через программатор с самого аккумулятора выходит примерно 4 вольта кроме + и - есть еще 3 провода на одном висит постоянно где-то 3.3 а два других это шина данных как я понял .У кого-нибудь может есть опыт борьбы с такими контролерами ?

Если сделаете качественные фото контроллера батареи и выложите здесь, что бы увидеть какая микросхема управления стоит, то можно будет понять по какому принципу заводить питание на планшет.

Vitaly123 04.12.2020 19:59

Вложений: 3
Вложение 52230

Вложение 52231

Вложение 52232
Это обратная сторона платы

Vitaly123 04.12.2020 20:02

Вложений: 2
Это сверху контролёр BQ9000

Вложение 52233


Вложение 52234

skanch 04.12.2020 20:25

Боюсь, что с этим контроллером BQ9000 просто отрезать банки не получится. При обесточивании контроллер может уйти в защиту.
Попробуйте отключить от мат.платы батарею с контроллером и напрямую подать 4,4V на контакты питания. Причём "плюс" на контакты разъёма, а "минус" на общую массу, где-нибудь на плате (как вариант корпус USB разъёма).
По такому принципу.

Vitaly123 05.12.2020 12:36

Не получается таким способом загорается светодиод питания и тут же тухнет проблема как мне кажется в двух проводах синем и желтом их отключаешь от аккумулятора напряжения все выходят а планшет не запускается

skanch 05.12.2020 12:50

Цитата:

Сообщение от Vitaly123 (Сообщение 416931)
Не получается таким способом загорается светодиод питания и тут же тухнет проблема как мне кажется в двух проводах синем и желтом их отключаешь от аккумулятора напряжения все выходят а планшет не запускается

К чему подключаете? Какой максимальный (реальный) ток выдаёт преобразователь? Возможно, что просто не хватает мощности DC-DC преобразователя. Судя по количеству параллельных проводов питания на контроллере, реальный ток при максимальной загрузке может быть в районе 6-7А. При выборе преобразователя для питания планшета (одноплатника) в машине, необходимо использовать источник питания, рассчитанный на максимальное потребление девайсом, "плюс" запас в 20-25% мощности. Поскольку планшет по сути является "динамической нагрузкой", необходимое условие - стабильность выходного напряжения при резких изменениях тока.

Vitaly123 05.12.2020 13:22

У меня лобараторник на 10а отпаял разъем от платы контролера собрал в кучу все плюсовые провода на плате контролера они тоже были к одной точке припаяны как и минусовые подключил проводом сечением где-то 4 кв + на разъем а минус на корпус usb на лобароторнике напруга при включении даже не дернется подаю 4.4в

Корпус usb звонится с массой аккумулятора

skanch 05.12.2020 13:33

Тогда нужно экспериментировать... Один из вариантов: замерить сопротивление на контроллере с банками между контактами проводов ( синий и жёлтый) относительно "минуса". Подобрать постоянные резисторы такого номинала и припаять на отрезанный разъём. Повторить включение от лабораторника. Как здесь...

Цитата:

Сообщение от Vitaly123 (Сообщение 416933)
...Корпус usb звонится с массой аккумулятора

Это ничего не значит... "Масса" может звониться через силовые ключи на мат.плате, отвечающие за логику включения/выключения питания. А мы пытаемся "обойти" эту схему...

Vitaly123 05.12.2020 15:31

Не получается мерил я сопротивление между ними там почти 1Мом пробовал подкидывать туда сопротивление безрезультатно на подключенном аккумуляторе там появляется 3.3 в на обоих

skanch 05.12.2020 16:10

Вложений: 2
Цитата:

Сообщение от Vitaly123 (Сообщение 416936)
Не получается мерил я сопротивление между ними там почти 1Мом пробовал подкидывать туда сопротивление безрезультатно на подключенном аккумуляторе там появляется 3.3 в на обоих

Хорошо... Поменяйте схему. Соберите два делителя и подключите к проводам.
Вложение 52235 Вложение 52236

Vitaly123 05.12.2020 17:13

Напряжение идет туда с платы

У меня там еще есть белый провод когда аккумулятор не вставлен на нем 3.7 в когда вставляешь напряжение пропадает

skanch 05.12.2020 17:35

Вложений: 1
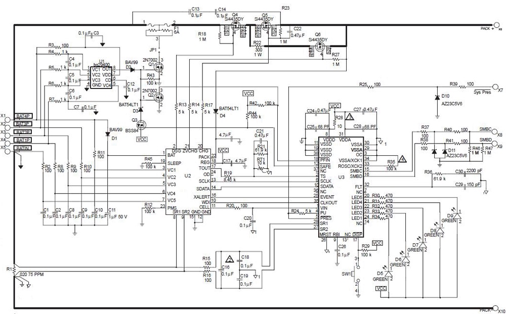
Тогда остаётся рискнуть микросхемой на контроллере батареи и сделать перемычку по "минусу", предварительно отрезав банки. Это, как на Nexus 7. И подать на контроллер 4.4V вместо банок. Даже если микросхема уйдёт в защиту, есть шанс, что через перемычку по "минусу" питание пойдёт на планшет. Но предварительно нужно точно определить по какой схеме собран ваш контроллер, прозвонив линию "плюс" и линию "минус". Если контроллер управляет питанием по "плюсу", то перемычку ставим по "плюсу", если управление по "минусу", то наоборот. Ниже схема подобного контроллера от батареи ноутбука с управлением по "плюсу".

Вложение 52237

Vitaly123 05.12.2020 17:35

Собрал схему с двумя делителями все также лампочка вспыхивает красным как будто аккумулятор дохлый и все

А если он заблокируется что с ним потом делать другой аккумулятор заказывать он стоит также как и планшет

skanch 05.12.2020 17:48

Цитата:

Сообщение от Vitaly123 (Сообщение 416942)
...А если он заблокируется что с ним потом делать другой аккумулятор заказывать он стоит также как и планшет

Хм... Установка инородного "тела" в машину всегда сопряжена с рисками:в лучшем случае потеря "тела", в худшем - машины.
Если нет "даташита" по установке и вы первопроходец, то вам выбирать: или рисковать, или оставить всё, как есть...


Часовой пояс GMT +4, время: 20:10.

Работает на vBulletin® версия 3.8.4.
Copyright ©2000 - 2026, Jelsoft Enterprises Ltd.
Перевод: zCarot