PCCar.ru - Ваш автомобильный компьютер

PCCar.ru - Ваш автомобильный компьютер (https://pccar.ru/index.php)
-   Разработка устройств (https://pccar.ru/forumdisplay.php?f=18)
-   -   Простой USB HID контроллер под Windows или Android 3-й версии (https://pccar.ru/showthread.php?t=20163)

YAM1966 20.03.2014 15:22

Цитата:

Сообщение от il74 (Сообщение 290342)
разобрал магнитолу, а там вот это (смотреть фото)

Возможно ли изготовить за деньги переходник? Шаг одинаковый, только 8 контактов в конце объединяются до 4-х (видно на фото), сам наврядли смогу. Потребуется 2 штуки (на две одинаковые магнитолы).

Решение смотреть тут.

Tareal_Diz 20.03.2014 17:25

Спасибо большое, все работает ))) Правда курсор напрягает )))))

YAM1966 20.03.2014 17:45

Цитата:

Сообщение от Tareal_Diz (Сообщение 291400)
Спасибо большое, все работает ))) Правда курсор напрягает )))))

Что Вы имеете в виду?

Tareal_Diz 20.03.2014 19:33

Цитата:

Сообщение от YAM1966 (Сообщение 291402)
Что Вы имеете в виду?

Когда до экрана докасаешься курсор появляется

YAM1966 20.03.2014 20:30

Цитата:

Сообщение от Tareal_Diz (Сообщение 291415)
Когда до экрана докасаешься курсор появляется

Добавил в шапку по аналогии с версией 2...
"Чтобы не было курсора при нажатиях вообще, этот файл (после распаковки) положить в /system/usr/idc Vendor_ffff_Product_2014.zip"

p.s. забыл добавить, что для этого рут нужен....

Tareal_Diz 20.03.2014 20:36

Цитата:

Сообщение от YAM1966 (Сообщение 291421)
Добавил в шапку по аналогии с версией 2...
"Чтобы не было курсора при нажатиях вообще, этот файл (после распаковки) положить в /system/usr/idc Vendor_ffff_Product_2014.zip"

Спасибо большое

STDiLan 22.09.2014 13:05

Вложений: 1
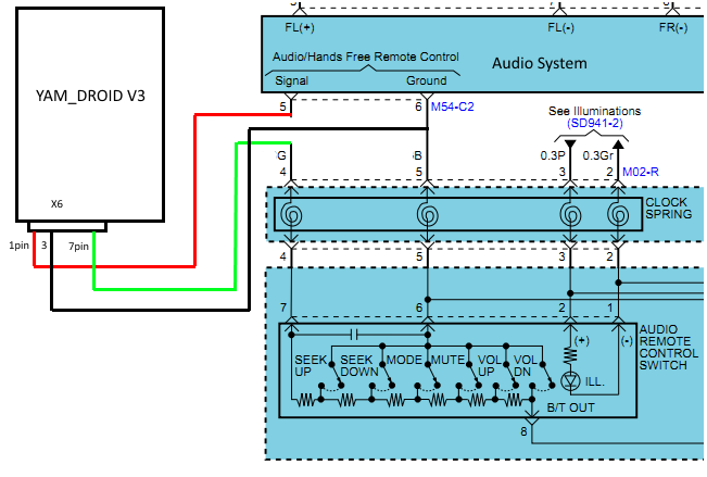
Доброго времени суток! Являюсь обладателем устройства 3-ей версии. Работает замечательно в качестве контроллера тачскрина, как с Windows так и с Android!
Дошло дело до подключения резистивных, штатных кнопок руля. Кнопки с контроллером подружились, при выводе сигнала из разъема Х6\1, на магнитолу, нужные напряжения появляются! Но, на входе магнитолы - 5(signal) так-же есть напряжение 5в, должно ли оно там быть, и правильно ли я подключаю контроллер? (Подключив как на схеме получаю хаос при нажатии любой кнопки)
P.S. Авто Kia Cerato 2Gen, схема от нее же)
Вложение 37197

YAM1966 22.09.2014 13:19

Цитата:

Сообщение от STDiLan (Сообщение 307013)
Доброго времени суток! ...........

Привет!
Да, конечно, на входе кнопок руля магнитолы будет 5В, т.к. в ней стоят подтягивающие резисторы к +5В для анализа нажатия.
Подключили правильно.
Давайте возможные пути решения обсудим через личку...

gorar 07.10.2014 17:30

Здраствуйте!
Этот контролер работает у меня уже от весны, почти все хорошо.
Одно НО: не могу выяснить в чем проблема - иногда после нескольких нажатий (не дождавшись отработки) резистивных кнопок контролер перестает реагировать на нажатие кнопок (не передает ни на юсб ни на магнитолу), в то же время тач работает нормально и датчик ИК тоже работает нормально. Отпускает его только после обесточивания.

Это кажется и небольшая проблема, но так как контролер у меня запитан от дижурки магнитолы (постоянно) то чтобы отключить его - мне нужно полностью обесточить магнитолу.

Подскажите как боротся с бедой?

YAM1966 07.10.2014 17:58

Сообщите чем Вы управляет по USB. Кроме того можете с помощью терминала в ПО настройки включить вывод отладки по нажатию кнопок и посмотреть формируемые события. А вообще стучите в личку, подключусь удаленно и посмотрю.

gorar 14.10.2014 13:31

Вопрос о калибровке:
у меня так получилось что размеры монитора не соответствуют размерам тач панели (тач на 8-10 мм меньше по высоте но на 1-2 мм больше по ширине), на обзор это практически не влияет (не существенно) но вот на точность попадания по объектам внизу и вверху - проблемка.
Как можно откалибровать такой комплект (когда размеры не совпадают)?

YAM1966 15.10.2014 10:20

Цитата:

Сообщение от gorar (Сообщение 308589)
Вопрос о калибровке:
у меня так получилось что размеры монитора не соответствуют размерам тач панели (тач на 8-10 мм меньше по высоте но на 1-2 мм больше по ширине), на обзор это практически не влияет (не существенно) но вот на точность попадания по объектам внизу и вверху - проблемка.
Как можно откалибровать такой комплект (когда размеры не совпадают)?

Этот момент специально оговорен в шапке в файле подключение, значит не читаете :acute:

Stasik 05.05.2015 16:19

Вопрос по подключению.
 
Здравствуйте! Могу ли я подключить в контроллере 3 версии:

- Повесить на разъеме Х3 энкодер? Но энкодер еще имеет нормально разомкнутую кнопку, можно ли повесить на какую-нибудь линию на Х3 помимо энкодера еще и кнопку от этого энкодера. Нужно именно на Х3, так как другие разъемы Х1 и Х6 планируется под ИК датчик и резистивные кнопки и другие кнопки.

(Матрицы с тачем подключать не планируется)

YAM1966 05.05.2015 16:34

Цитата:

Сообщение от Stasik (Сообщение 327319)
Здравствуйте! Могу ли я подключить в контроллере 3 версии:

- Повесить на разъеме Х3 энкодер? Но энкодер еще имеет нормально разомкнутую кнопку, можно ли повесить на какую-нибудь линию на Х3 помимо энкодера еще и кнопку от этого энкодера. Нужно именно на Х3, так как другие разъемы Х1 и Х6 планируется под ИК датчик и резистивные кнопки и другие кнопки.

(Матрицы с тачем подключать не планируется)

Привет!
Подключение кнопок на X3 не предусмотрено. Разве Вам мало 4 канала по 15 кнопок на X6?


Часовой пояс GMT +4, время: 14:38.

Работает на vBulletin® версия 3.8.4.
Copyright ©2000 - 2026, Jelsoft Enterprises Ltd.
Перевод: zCarot