PCCar.ru - Ваш автомобильный компьютер

PCCar.ru - Ваш автомобильный компьютер (https://pccar.ru/index.php)
-   Общение с машиной (https://pccar.ru/forumdisplay.php?f=14)
-   -   Blaupunkt RD4 + CANhacker (https://pccar.ru/showthread.php?t=19853)

Dmitry8 08.12.2014 15:59

Glouck , Спасибо за ответ! Для начала хочу два устройства на столе научить между собой передавать пакеты, потом уже в машину. В этом случае RTH/RTL = 500 - 16000 Ом, судя по даташиту, но непонятно от чего зависит номинал?

Dmitry8 09.12.2014 13:30

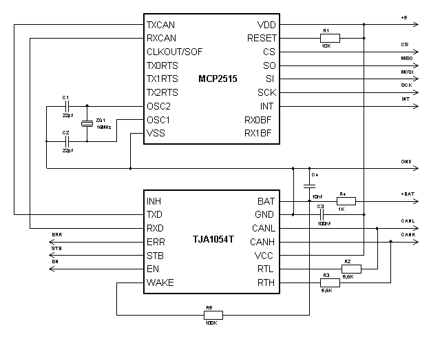
Вложений: 1
Вот накатал примерную схему, прошу высказывайте замечания.

http://pccar.ru/attachment.php?attac...1&d=1418117110

Dmitry8 19.01.2015 10:04

Вложений: 1
Собрал два устройства по схеме ниже, одно отправляет данные по CAN, другое принимает и передаёт их в uart. В общем, не работает. Может реализация CAN от микрочипа несовместима с tja1054? и я пытаюсь скрестить ужа и ежа?
http://pccar.ru/attachment.php?attac...1&d=1421647000

Glouck 19.01.2015 14:17

А ты шину чем-нибудь терминировал на концах (кроме RTH/RTL резисторов)?
http://upload.wikimedia.org/wikipedi...eitung.svg.png

Dmitry8 19.01.2015 14:22

Цитата:

Сообщение от Glouck (Сообщение 317957)
А ты шину чем-нибудь терминировал на концах (кроме RTH/RTL резисторов)?
http://upload.wikimedia.org/wikipedi...eitung.svg.png

Нет, приведённая картинка для HS-CAN, а тут FT-CAN, я так понимаю что терминирующие резисторы здесь висят на каждом котроллере, отдельно для каждой линии. Если я не прав - поправьте меня.

Glouck 19.01.2015 15:00

Это не важно - терминировать все-равно надо - 120 ом на краях.

Цитата из дш на 1054 про RTL/RTH резисторы:
Цитата:

Size of termination resistors depends on system size. The overall system termination should be about 100 Ohms per CAN line.
Вот, кстати, почитай, там есть про то, сколько надо для RTH/RTL:
http://www.nxp.com/documents/applica.../AH_FTCAN3.pdf

Почитал внимательнее, в общем, выходит, что и без терминаторов по твоей схеме (5.6к RTL/RTH) должно работать на столе с коротким проводом...

Dmitry8 20.01.2015 16:16

Заработало! :dance1: Ошибка была в прошивке.

INRatnikov 02.02.2015 18:03

Вопрос? По данной схеме можно научиться через PC управлять системой авто? У меня тот же RD4

Dmitry8 03.02.2015 10:09

Управлять можно устройствами находящимися в сети CAN-Info, в моём случае (citroen c4 2012г.) это приборная панель, магнитола, центральный дисплей, парктроник ... Но у меня RD5 и я пока в машине не подключал. Удалось завести два устройства на столе, обмениваются данными по протоколу CAN. Есть у меня в наличии и дисплей, такой же как в машине, но заставить работать его пока не удалось. Как уже писали в этой теме для успешного пуска помимо питания нужно отправить определённый пакет по can-шине, а вот какой именно - это загадка. Пользователю с ником autowp удалось разгадать эту загадку путём прослушивания и записи пакетов с can-шины в своём авто , а затем отправки этих данных уже в магнитолу. Чем я тоже собираюсь заняться в ближайшее время. INRatnikov , в вашем случае - некоторые пакеты уже известны и вы сможете управлять устройствами в своём авто.

Dmitry8 06.02.2015 17:15

Странное дело: подключил девайс в машине - результат тот же , всё потухло. Я в полном недоумении, что происходит? Как подключиться к шине? Спецы скажите что я делаю не так?


Часовой пояс GMT +4, время: 22:26.

Работает на vBulletin® версия 3.8.4.
Copyright ©2000 - 2025, Jelsoft Enterprises Ltd.
Перевод: zCarot