PCCar.ru - Ваш автомобильный компьютер

PCCar.ru - Ваш автомобильный компьютер (https://pccar.ru/index.php)
-   Рабочий журнал (https://pccar.ru/forumdisplay.php?f=25)
-   -   Toyota Corolla [Android CarPC] (https://pccar.ru/showthread.php?t=18189)

Ralf 10.12.2013 18:57

Rage2, каким заменить реле HJR-21FF-S-Z можно из этих? - http://www.12v.ru/site.xp/052048055124.html

Рамис 11.12.2013 14:51

Цитата:

Сообщение от Ralf (Сообщение 280253)
Rage2, каким заменить реле HJR-21FF-S-Z можно из этих? - http://www.12v.ru/site.xp/052048055124.html

Вот аналоги реле HJR-21FF-S-Z:
1) Omron: G5L
2) OEG: SRUDH
3) Fujitsu: FBR100
4) SONG CHANG: 801H
5)Hongfa: JQC-21ff
6)TTI: TRU

Сам я заменил на TIANBO HJR-3FF-S-Z

Ralf 11.12.2013 18:06

Рамис, а из тех что на странице http://www.12v.ru/site.xp/052048055124.html какие-нибудь подойдут?

Просто хотел там реле времени заказать, а там оказывается минимальный заказ 500 руб. Вот и решил добрать реле на замену HJR-21FF-S-Z.

Рамис 11.12.2013 21:34

Вложений: 1
Цитата:

Сообщение от Ralf (Сообщение 280378)
Рамис, а из тех что на странице http://www.12v.ru/site.xp/052048055124.html какие-нибудь подойдут?

Просто хотел там реле времени заказать, а там оказывается минимальный заказ 500 руб. Вот и решил добрать реле на замену HJR-21FF-S-Z.

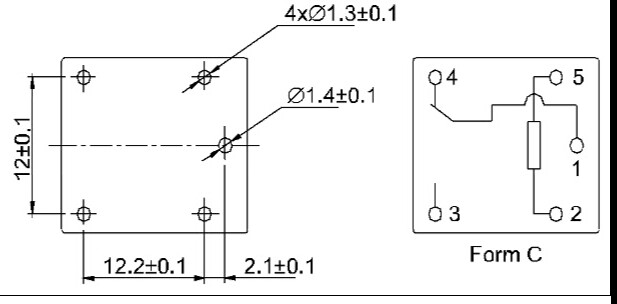
Вот схема HJR-21FF-S-Z (7А) и HJR-3FF-S-Z (5А), у них одинаковые. Это электромагнитные реле на печатную плату. Я по твоей ссылке посмотрел, там от 20А, я думаю это много для нашего БП.Вложение 33832

FPatrol 24.12.2013 13:14

Подскажите пожалуйста.
Какой корпус использовали для бп ?
Ну или габариты полученного изделия ?
И еще вопрос по поводу элементов- на схеме и некоторые элементы такие как конденсатор рядом с реле ,предохранитель и диод отсутствуют. Подскажите их номиналы и для чего они(конденсатор)установлены ?
Хочу повторить Вашу схему не хочу упустить какую нибуть деталь.
Спасибо.

Chupa 24.12.2013 23:56

Если делать "умный" БП с питанием от АКБ на NSD15-12S5 и от АСС на реле времени, нужно ли ставить предохранитель на 3А и где? И там и там, или достаточно только перед NSD15-12S5?
Какой предохранитель лучше использовать - автомобильный или можно какой-то другой?

Также вопрос почему на схеме имеется два конденсатора 5000-10000 мкФ, а на фотках видно только один? И какой мощности должен быть резистор между TRIM и GND?

Twod 27.12.2013 13:18

Цитата:

Сообщение от Rage2 (Сообщение 270757)
Пришли релюшки, скоро начнем собирать БП с мозгами.

362.3787-01 -Реле контроля напряжения
РЕГТАЙМ3-12-1800 - Реле времени
оба реле основаны на PIC12F629

Вложение 32775Вложение 32776

Схему с прошивкой для них найти бы. Можно и самому будет спаять.

FPatrol 27.12.2013 13:23

Это даа, а то за реле 250р это перебор !
Да и не в деньгах дело сколько в сложности преобритения ;(

Rage2 08.01.2014 12:10

Вложений: 8
Цитата:

Сообщение от FPatrol
Какой корпус использовали для бп ?

Корпус такой http://www.chipdip.ru/product/g1022b/

P.S// БП на релюшках у меня давно нет, плиз, хватит меня мучить на эту тему =)
Сейчас обкатываю новый БП на Мк, позже поделюсь подробностями.


Update....)

Alex-NN 08.01.2014 12:56

Грамотный вывод питания и USB! Тоже подумывал о таком варианте. Я еле-еле впихнул кабелек в штатный разъем. Вроде, держится, не сбоит пока.

Неплохо бы выложить ссылочки на версии прошивок.


Часовой пояс GMT +4, время: 18:27.

Работает на vBulletin® версия 3.8.4.
Copyright ©2000 - 2026, Jelsoft Enterprises Ltd.
Перевод: zCarot